Видео
Выбираем насос для химии
Как выбрать насос для кислоты и другой химии
Промывка мембранников
Промой мембранный насос правильно
Активный и пассивный демпферы пульсаций. Сравнительный тест.
Описание модели AF XF 0500S
Мембранный пневматический насос Duotek AF XF 0500S предназначен для пищевых производств, выполнен из полированной нержавеющей стали AISI 316. Насос имеет гигиеническое исполнение и позволяет бережно перекачивать пищевые жидкости вязкостью до 50 000 сСт при температуре до 95 °C.
Он способен перекачивать твердые частицы диаметром 8,5 мм. Насос питается от источника сжатого воздуха давлением до 8 бар.
Подходит для работы в условиях повышенной взрывоопасности ATEX зоны 1, имеет сертификат ATEX II 2/2 GD c IIB T135 °C.
Материалы исполнения Duotek AF XF 0500S соответствуют требованиям технологических процессов в пищевой и молочной промышленности.
Корпус насоса выполнен из электрополированной нержавеющей стали AISI 316 (Ra 2,7 мкм)*, которая исключает размножение нежелательных бактерий, обеспечивая качество полученной продукции.
*AISI 316 - это кислотостойкая нержавеющая сталь, устойчивая к воздействию коррозии, она содержит в своем составе молибден (Mo), защищающий от точечной коррозии. Сталь с электрополировкой Ra 2,7 мкм имеет мелкозернистую структуру, практически лишена пор, исключает оседание среды и легко очищается.
При необходимости, насос можно обрабатывать и дезинфицировать в системах CIP и SIP мойки.
Мембраны насоса имеют сдвоенную конструкцию – со стороны жидкости мембрана из Тефлона (PTFE), а со стороны воздуха мембрана из Хайтрела (Hytrel).
Duotek AF XF 0500S химически совместим с кисломолочными продуктами, растительными, сахаросодержащими и спиртосодержащими средами, а также с большинством вспомогательных веществ (Excipients), применяемых в пищевой промышленности.
Все контактирующие с пищевыми продуктами материалы насоса сертифицированы FDA (Управление по санитарному надзору за качеством пищевых продуктов и медикаментов США), что является гарантией гигиеничности модели.
Производительность насоса регулируется давлением сжатого воздуха и достигает 550 л/мин (33 м3/ч), подача жидкости за один ход мембраны ≈ 1,25 л.
Максимальный напор насоса составляет 80 м при давлении воздуха 8 бар.
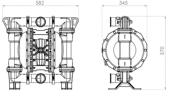
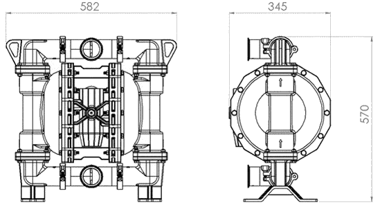
Патрубки с быстроразъемным кламповым** соединением 2 " (50 мм).
**Кламп (Tri-Clamp) - облегчает подключение к насосу, позволяет быстро получить доступ к линии, провести санобработку, демонтаж и обслуживание насоса.
Подключение воздуха 3/4 " (20 мм) BSP.
Насос может работать в режиме сухого хода, но необходимо ограничить время работы насоса в режиме сухого хода до 10 мин.
Насос не требует предварительной заливки перед пуском, высота всасывания «по суху» до 6 м.
Уровень звуковой мощности модели 78 дБ.
График рабочих характеристик Seko Duotek AF XF 0500S
Габаритный чертеж насоса Seko AF XF 0500S
У нас пока нет отзывов по этой модели.
В настоящее время никто вопросов не задавал. Вы можете быть первым.




































_1.jpg)




























































































































































































































































Гарантия 12 мес.