Описание модели E02B4S
Мембранный пневмоприводный насос E02B4S из нержавеющей стали 316 очень компактен, подходит для OEM приложений. Перекачивает нейтральные, химические, масляные, вязкие жидкости, смолы. Пропускная способность модели к твердым частицам 2 мм. Правильная настройка подачи сжатого воздуха гарантирует надежную работу насоса и долгий срок службы мембран. Давление воздуха, нагнетаемого компрессором должно находиться в пределах от 1,3 до 8,6 бар.
Производительность насоса E02B4S регулируется от 0,1 до 1 м3/час (от 1,6 до 16,6 л/мин), при этом напор достигает 86 м.
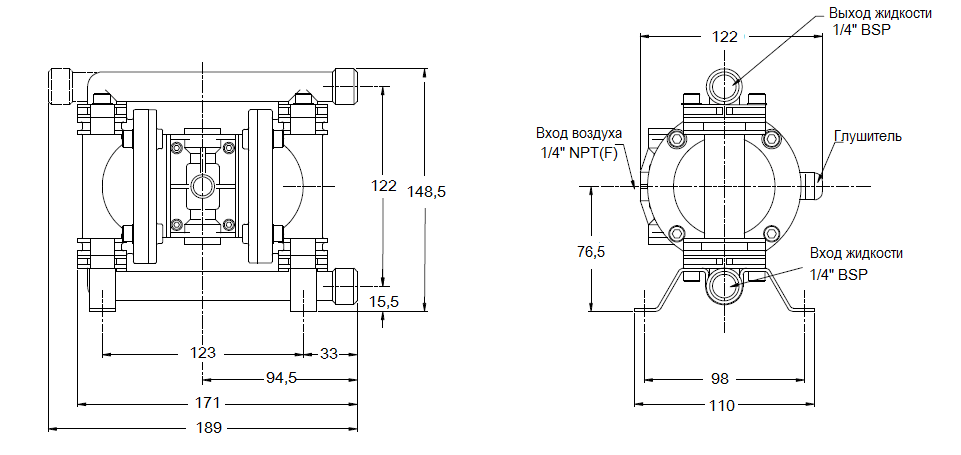
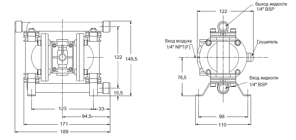
Данные самовсоса 6,3 м. Диаметр патрубков всасывания и нагнетания 1/4" (6 мм) NPT.
E02B4S - это сокращенное обозначение насоса, в нем зашифрован материал корпуса модели и типоразмер. Полная заводская маркировка насоса содержит в себе необходимую информацию о материалах мембран, шариковых клапанов:
- E02B4SYSSNS000 - это модель E02B4S со сдвоенными мембранами тефлон (PTFE) /Polyester, шариковые клапаны из тефлона (PTFE), седла из нержавеющей стали 316. Модель с тефлоновыми мембранами подходит для жидкостей содержащих нефтепродукты и жидкостей с небольшой химической активностью. Температурный диапазон перекачиваемой среды от плюс 4 до 70°
- S05B1SZTANS000 - это модель E02B4S со сдвоенными мембранами тефлон (PTFE) /Polyester, шариковые клапаны и седла из нержавеющей стали 316. Модель подходит для вязких жидкостей, нефтепродуктов, смол и жидкостей с небольшой химической активностью.Температурный диапазон перекачиваемой среды от плюс 4 до 70°C.
График производительности модели E02B4S
Габаритный чертеж насоса Sandpiper Standard E02B4S
У нас пока нет отзывов по этой модели.
В настоящее время никто вопросов не задавал. Вы можете быть первым.




































_1.jpg)




























































































































































































































































Гарантия 12 мес.