Видео
Анимация: принцип работы
Как работают насосы для горячих масел и битумов
Описание модели Viscomat 350/2 T Gear
Самовсасывающий насос для масел Viscomat 350/2 T Gear является современным решением для перекачивания смазочных масел вязкостью 50 - 2000 сСт. Это мощный насос шестеренного типа, способный генерировать высокое давление и обеспечивать относительно ровный поток вязких масел. Он широко используется в автосервисах, складах ГСМ, на автобазах и промышленных предприятиях.
Данный насос имеет алюминиевый корпус, зубчатые колеса (шестерни) выполнены из нержавеющей стали.
Встроенный перепускной клапан (байпас) регулирует давление и защищает насос от перегрузок во время работы с заправочным пистолетом.
Насос способен работать в непрерывном режиме, охлаждение двигателя происходит путем самовентиляции.
Маслоперекачивающий насос Viscomat 350/2 T Gear, благодаря своей надежности, достаточно популярен в России. Относится к среднему ценовому классу. Разработчиком насоса является компания PIUSI (Италия).
Основные параметры
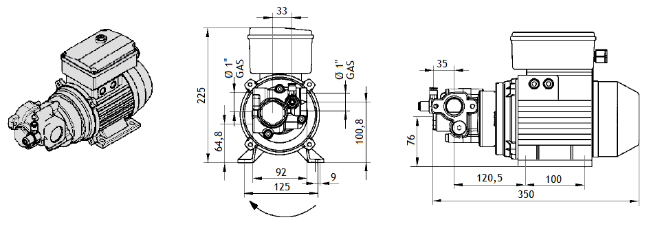
Производительность модели 9 л/мин (0,54 м3/ч), рабочее давление на выходе до 25 бар (250 м вод. ст.).
Резьбовые патрубки входа/выхода диаметром 1” (BSP).
Насос обеспечивает самовсос масла с высоты 2 м. Перед пуском не требуют заливки, способен прокачать воздух и заполнить маслом всасывающую линию. Высота самовсоса при заполненной всасывающей линии до 4 м.
Диапазон рабочей температуры насоса от 5 °C до 60 °C.
Уровень шума не превышает 70 дБ.
Артикул модели - F00304T1D.
Электродвигатель
Двигатель насоса трехфазный, питание 380 В/50 Гц, 1450 об/мин, мощность 0,75 кВт.
Электроблок снабжен кнопкой вкл./выкл. Класс защиты IP 55.
Рабочий цикл: непрерывная работа.
Вспомогательное оборудование для Viscomat 350/2 T Gear
Фланцевые соединения
Автоматический, либо ручной заправочный кран (пистолет)
Переходники и трубопроводы (шланги)
Счетчики расхода топлива.
Что входит в комплект поставки
- Насос.
- Встроенный регулируемый байпас (кроме модели Vane 90 на 220 вольт).
- Инструкция на русском языке.
- Гарантия 24 месяца.
Tаблица вязкости масел, перекачиваемых насосами Piusi Viscomat
(единицы измерения: сСт )

* Значения в таблице являются справочно-ориентировочными и не гарантируют вязкость масла конкретного производителя
Габаритный чертеж насоса Piusi Viscomat 350/2 T Gear
Кривые производительности
3D-фото
У нас пока нет отзывов по этой модели.
В настоящее время никто вопросов не задавал. Вы можете быть первым.




































_1.jpg)





























































































































































































































































Гарантия 12 мес.