Видео
Анимация: принцип работы
Как работают насосы для горячих масел и битумов
Описание модели Viscomat DC 60/1 12V
Самовсасывающий шестеренный насос Viscomat DC 60/1 12V предназначен для перекачки и подачи моторных масел вязкостью до 2000 сСт. Это мобильный насос постоянного тока, его используют для перекачивания масел из емкостей в условиях отсутствия сети 220 V.
Насос оснащен встроенным перепускным клапаном (байпас), который регулирует давление насоса.
Основные параметры
- Производительность насоса 3,2 - 4 л/мин, рабочее давление на выходе до 5 бар (байпас 6 бар).
- Viscomat DC 60/1 12V обеспечивает самовсос масла с глубины 2 метра "по сухому", то есть без предварительной заливки всасывающей линии. Если же предварительно заполнить всасывающую линию и установить на нее обратный клапан, то высота самовсоса составит 4 метра.
- Диапазон рабочей температуры насоса от 5 °C до 60 °C.
- Уровень шума не превышает 65 дБ.
- Артикул модели F0030902A.
- Перечень перекачиваемых масел, а также изменчивость вязкости масла в зависимости от температуры приведены в технической таблице.
Электродвигатель
- Электродвигатель постоянного тока питанием 12 V, 2900 об/мин, мощностью 150 Ватт.
- Класс защиты электрического блока IP 55. Кнопка вкл/выкл.
- Рабочий цикл непрерывной работы 30 мин.
Преимущества насоса

Корпус насоса выполнен из алюминия.
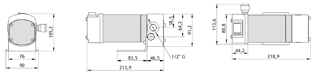
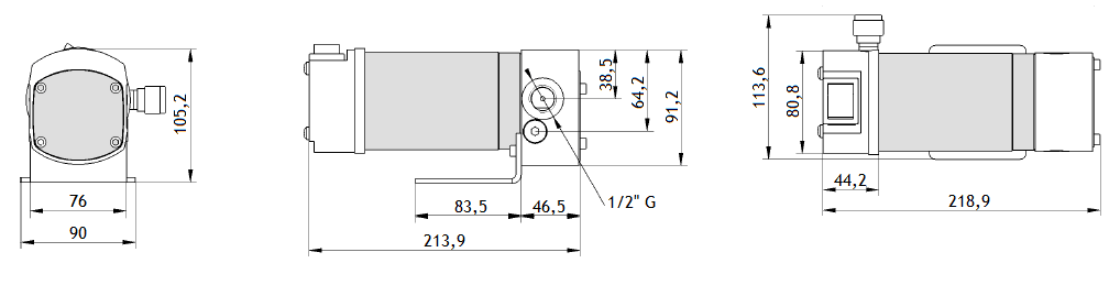
Резьбовые присоединения входа и выхода 1/2” BSP.
Насос имеет компактные габаритные размеры 22х11х11, его вес 3 кг.
Может работать в любом рабочем положении, как на горизонтальной, так и на вертикальной поверхности.
Кронштейн насоса оснащен отверстиями под крепеж.

Viscomat DC 60/1 12V – это надежный шестеренный насос для вязких масел.
Зубчатые колеса (шестерни) Viscomat DC 60/1 12V выполнены из нержавеющей стали.
Байпас-клапан встроен в корпус насоса. Viscomat DC 60/1 12V без каких-либо сложностей способен 2-3 мин функционировать на закрытую задвижку,
при этом весь расход циркулирует в байпас и давление в линии нагнетания достигает значения перепуска.

Электроблок снабжен кнопкой вкл./выкл., которая покрыта влагопылезащитным кожухом.
Важно отметить, что данный насос идет без принудительного охлаждения двигателя, поэтому максимальное время непрерывной работы насоса составляет 30 мин., далее необходим перерыв 60 мин.
Вспомогательное оборудование для Piusi Viscomat DC 60/1 12V
Комплект кабеля 2 м (12V/24V)
Комплект кабеля 4 м (12V/24V)
Что входит в комплект поставки
- Насос.
- Встроенный регулируемый байпас (кроме модели Vane 90 на 220 вольт).
- Инструкция на русском языке.
- Гарантия 24 месяца.
Tаблица вязкости масел, перекачиваемых насосами Piusi Viscomat
(единицы измерения: сСт )

* Значения в таблице являются справочно-ориентировочными и не гарантируют вязкость масла конкретного производителя
Габаритный чертеж насоса Piusi Viscomat DC 60/1 12V
Кривые производительности
У нас пока нет отзывов по этой модели.
В настоящее время никто вопросов не задавал. Вы можете быть первым.




































_1.jpg)




























































































































































































































































Гарантия 12 мес.