Видео
Анимация: принцип работы
Как работают насосы для горячих масел и битумов
Описание модели Viscomat 70 M Vane
Самовсасывающий пластинчато-роторный насос Viscomat 70 M Vane предназначен для перекачки масла вязкостью до 500 сСт, также он подходит для перекачивания ДТ, включая жидкое моторное биотопливо. Это производительный насос, обеспечивающий скорость потока до 25 л/мин, он способен работать в непрерывном режиме от сети 220 V. Насос оснащен встроенным перепускным клапаном (bypass), с помощью которого регулируется давление.
Viscomat 70 M Vane справится с задачами, как небольших автохозяйств, так и с задачами крупных промышленных предприятий.
Основные параметры
Производительность модели составляет 17 - 25 л/мин (1 - 1,5 м3/ч), рабочее давление на выходе до 6 бар (60 м вод. ст.).
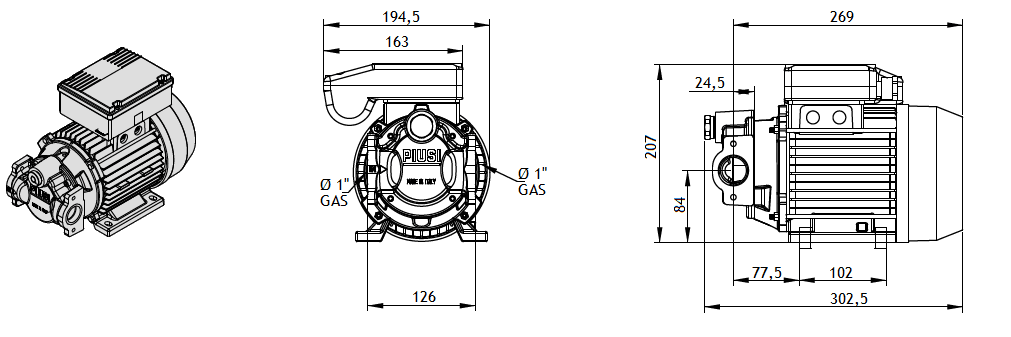
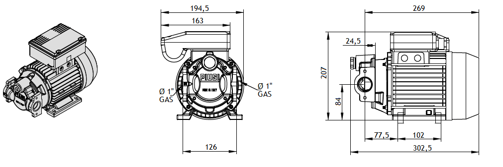
Резьбовые присоединения входа и выхода диаметром 1 ” (BSP).
Viscomat 70 M Vane обладает хорошей всасывающей способностью, высота самовсоса достигает 2 метра "по сухому", то есть без предварительной заливки всасывающей линии. Если же предварительно заполнить всасывающую линию и установить на нее обратный клапан, то высота самовсоса составит 4 метра.
Диапазон рабочей температуры модели от 5 °C до 60 °C.
Уровень шума насоса не превышает 70 дБ.
Артикул модели - F0033490A.
Электродвигатель
Насос оснащен асинхронным двигателем с питанием 220 В, 1470 об/мин, мощностью 1,2 кВт.
Класс защиты электрического блока IP 55. Кнопка вкл/выкл. Длина провода питания 2 м.
Преимущества насоса

Корпус пластинчато-роторного насоса Viscomat 70 M Vane выполнен из чугуна, покрытого антикоррозийным составом.
Ротор выполнен из нержавеющей стали, а пластины (лопатки) из ацетальной смолы.
Предусмотрено уплотнение вращающегося вала.
Компактные габариты насоса позволяют установить его в необходимом месте в горизонтальной или вертикальной плоскости.
Кронштейн насоса оснащен отверстиями под крепеж.

Весомым плюсом данной модели является байпас-клапан, снижающий вероятность аварийной ситуации.
Байпас (bypass) отвечает за перепуск топлива во время перекрытия выходной магистрали.
Режим байпас на перекрытом раздаточном пистолете поддерживается в течение 2 - 3 мин.

Насос может работать в непрерывном режиме, охлаждение двигателя происходит путем самовентиляции.
На корпусе имеется кнопка вкл./выкл. покрытая защитным кожухом.
Вместо вывода, или кратко о насосе: Piusi Viscomat 70 M Vane - это надежный, производительный насос для моторных масел
средней вязкости и дизельного топлива, обладающий повышенной всасывающей способностью.
Он понятен в управлении и прост в обслуживании.
Вспомогательное оборудование для Piusi Viscomat 70 M Vane
Фланцевые соединения
Автоматический, либо ручной заправочный кран (пистолет)
Переходники и трубопроводы (шланги)
Счетчики расхода топлива.
Что входит в комплект поставки
- Насос.
- Встроенный регулируемый байпас (кроме модели Vane 90 на 220 вольт).
- Инструкция на русском языке.
- Гарантия 24 месяца.
Tаблица вязкости масел, перекачиваемых насосами Piusi Viscomat
(единицы измерения: сСт )

* Значения в таблице являются справочно-ориентировочными и не гарантируют вязкость масла конкретного производителя
Габаритный чертеж насоса Piusi Viscomat 70 M Vane
Кривые производительности
У нас пока нет отзывов по этой модели.
В настоящее время никто вопросов не задавал. Вы можете быть первым.




































_1.jpg)




























































































































































































































































Гарантия 12 мес.