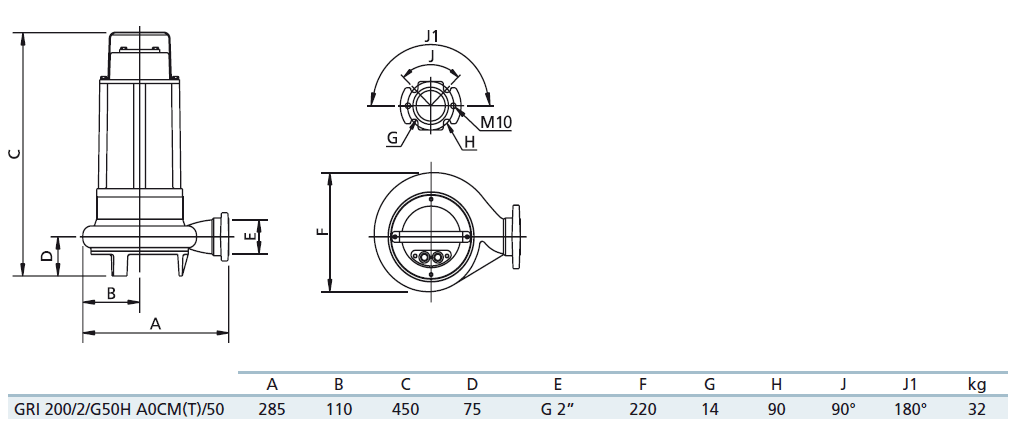
Описание модели GRI 200/2/G50H A0CM5
Погружной фекальный насос Zenit GRI 200/2/G50H A0CM5 находит широкий круг применения в промышленности, животноводстве, сельском хозяйстве, канализационных системах и др.
Модель представляет собой электромеханический комплекс в чугунном корпусе с погружной чугунной крыльчаткой многоканального открытого типа с системой измельчения на входе. Измельчительное устройство состоит из ножа треугольной формы и пластины с заточенными отверстиями. Благодаря этой системе, волокнистые включения измельчаются, проход загрязненных жидкостей обеспечивается без риска заклинивания крыльчатки.
У насоса горизонтальный резьбовой патрубок 2” (50 мм) и удобная рукоятка. Внутри установлены два механических уплотнения из карбида кремния.
Насос устанавливается на грунт на встроенную опору из чугуна. Максимальная глубина погружения 20 метров.
Производительность насоса колеблется от 3,6 до 24,6 м3/час (60 - 410 л/мин), напор до 23,4 м вод. ст. При этом оптимальная рабочая точка 18 м3/час (300 л/мин) при давлении 10,8 м вод. ст.
Насос работает на базе однофазного двигателя сухого типа мощностью 1,7 кВт, 2900 об/мин, 220 В/50 Гц, IP 68. Двигатель рассчитан на 30 запусков в час, оборудован внутренним конденсатором, коробка управления с разъединяющим конденсатором и амперометрической защитой.
Габаритный чертеж насоса Zenit GRI 200/2/G50H A0CM5
Кривые производительности
У нас пока нет отзывов по этой модели.
В настоящее время никто вопросов не задавал. Вы можете быть первым.




































_1.jpg)




























































































































































































































































Гарантия 12 мес.