Описание модели GRP 750/2/G50H A0HT5
Погружной фекальный насос Zenit GRP 750/2/G50H A0HT5 используется для интенсивного промышленного и профессионального применения. Это наиболее мощные насосы с измельчителем для промышленного применения, очистных сооружений и др.
У насоса корпус и крыльчатка изготовлены из чугуна, что говорит о высокой прочности. Крыльчатка GR разработана для достижения большого напора и высокой производительности. На сопряженной пластине изготовлена антиблоктровочная система. Она состоит из канавки, которая выводит измельченные тела и обеспечивает незасоряемость насоса и быстрый перезапуск даже при небольшой мощности. Система измельчения состоит из чугунного фланца с заостренными кромками. Благодаря этому примеси измельчаются, проход загрязненных жидкостей обеспечивается без риска заклинивания крыльчатки. Особая обработка гидравлической части обеспечивает выталкивание измельченных частиц и предотвращает блокировку крыльчатки.
У насоса горизонтальный резьбовой патрубок 2” (50 мм) и удобная рукоятка. Внутри установлены механические уплотнениями из карбида кремния и графито-глиноземной смеси. Двигатель в масляной ванне. Насос оборудован системой кабельной муфты для обеспечения отличной водонепроницаемости.
Насос устанавливается на грунт на дополнительно приобретаемую опору. Максимальная глубина погружения 20 метров.
Производительность насоса колеблется от 3,6 до 23 м3/час (60 - 383 л/мин), напор до 53,5 м вод. ст. При этом оптимальная рабочая точка 18 м3/час (300 л/мин) при давлении 40,8 м вод. ст.
Насос работает на базе трехфазного двигателя мощностью 7,9 кВт, 2Р/2900 об/мин, 380 В/50 Гц, IP 68. Двигатель рассчитан на 30 запусков в час, оборудован защитой от перегрева, по запросу датчиком для обнаружения протечек воды.
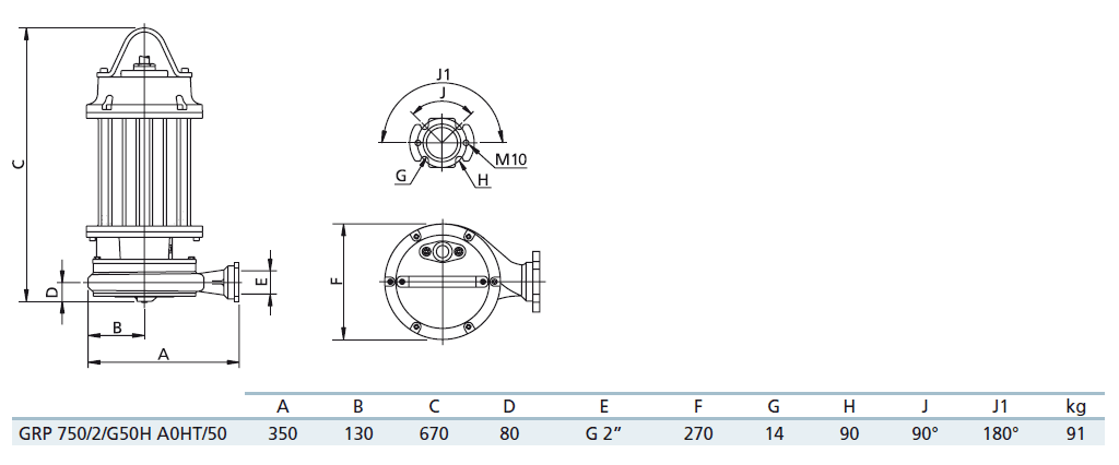
Габаритный чертеж насоса Zenit GRP 750/2/G50H A0HT5
Кривые производительности
У нас пока нет отзывов по этой модели.
В настоящее время никто вопросов не задавал. Вы можете быть первым.




































_1.jpg)




























































































































































































































































Гарантия 12 мес.