Видео
Обзор
Вертикальный насос Zenova CDLF
Описание модели CDLF 16-10
Насос Zenova CDLF 16-10 - вертикальный многоступенчатый насос высокого давления, который производится на современном заводе в Китае и продается в России под нашей собственной маркой Zenova. Насос имеет 10 рабочих ступеней. Патрубки насоса одинакового диаметра 50 мм, расположены на одной линии. Голова насоса выполнена из чугуна, внутренние части, контактирующие с водой, изготовлены из нержавеющей стали AISI 304. Модель предназначена для перекачивания чистой жидкости без твердых частиц, подходящей для нержавеющей стали.
Производительность насоса от 8 до 22 м3/час (от 133,3 до 366,7 л/мин.), напор до 138 м.вод.ст. Оптимальная рабочая точка производительности 16 м3/ч (266,7 л/мин) при давлении 118 м.вод.ст.
Насос оборудован трехфазным двигателем 380 В, 50 Гц, 2900 об/мин, номинальная мощность двигателя 11 кВт.
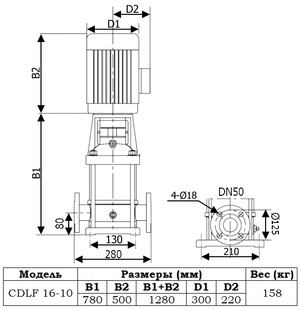
Габаритный чертеж модели Zenova CDLF 16-10
Конструкция и материалы насоса
Выходной вал двигателя соединяется с валом насоса через муфту. Насос состоит из рабочих ступеней (рабочее колесо, диффузор), установленных в цилиндрический корпус и соединенных при помощи стяжных болтов совместно с основанием или плитой и головой насоса. В основании имеются входной и выходной патрубки, расположенные на одной оси.

| Элемент насоса | Материал |
| 1. Двигатель | |
| 2. Голова насоса | Чугун ASTM25B |
| 3. Крышка | Нержавеющая сталь AISI 304
|
| 4. Торцевое уплотнение | Нержавеющая сталь AISI 304, карбид кремния, витон
|
| 5. Конфузор последней ступени | Нержавеющая сталь AISI 304 |
| 6. Конфузор промежуточной ступени | |
| 7. Конфузор первой ступени | |
| 8. Опора | |
| 9. Основание | |
| 10. Опорная плита | Чугун ASTM25B |
| 11. Подшипник | Карбид вольфрама |
| 12. Рабочее колесо | Нержавеющая сталь AISI 304
|
| 13. Вал | Нержавеющая сталь AISI 304, AISI 316L |
| 14. Втулка рабочего колеса | Нержавеющая сталь AISI 304 |
| 15. Цилиндр | |
| 16. Муфта | Углеродистая сталь |
Ограничения по эксплуатации
- Температура жидкости: от -15°С до +110°С
- Температура окружающей среды: не более +40°С
- Высота над уровнем моря: до 1000 м
Сфера применения
- водоснабжение
- системы кондиционирования воздуха
- системы охлаждения и циркуляции воды
- системы водоочистки, фильтрации, водоподготовки
- системы орошения
- противопожарные установки
- установки повышения давления




































_1.jpg)




























































































































































































































































Гарантия 18 мес.
