Описание модели 2BV2 060
Водокольцевой вакуумный насос Elmo Rietschle 2BV2 060 (Германия) служит для удаления воздуха и парогазовых смесей из закрытого объёма до остаточного вакуума 33 мбар АБС (97 % вакуума). Это компактный моноблочный насос, он характеризуется низким расходом воды и экономным энергопотреблением, используется для решения промышленных задач.
Насос рассчитан на непрерывную эксплуатацию и высокие нагрузки, оснащен портом защиты от кавитации.
Он нечувствителен к воздушному конденсату, накипи, пыли, частицам грязи.
Базовые материалы исполнения:
Корпус - серый чугун
Импеллер - алюминиевая бронза
Распределительный диск - керамика
Подшипники и вал - нержавеющая сталь
Уплотнение вала - механическое, угольный графит/карбид кремния
Производительность насоса 26 м3/ч (до 433 л/мин), остаточный вакуум 33 мбар.
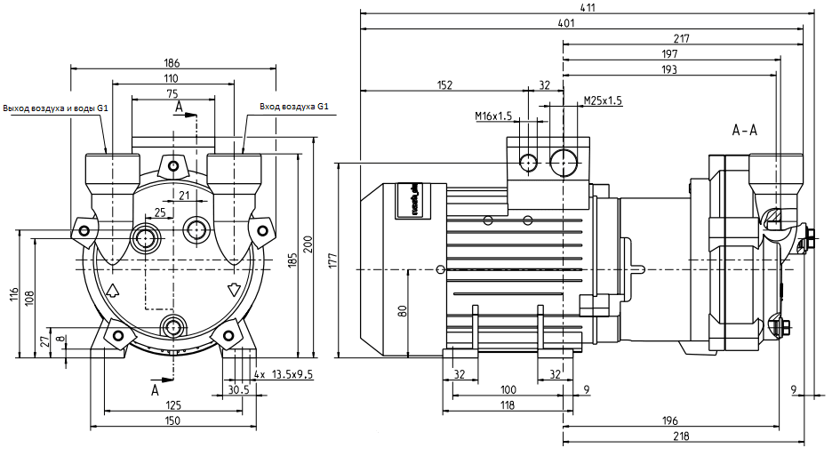
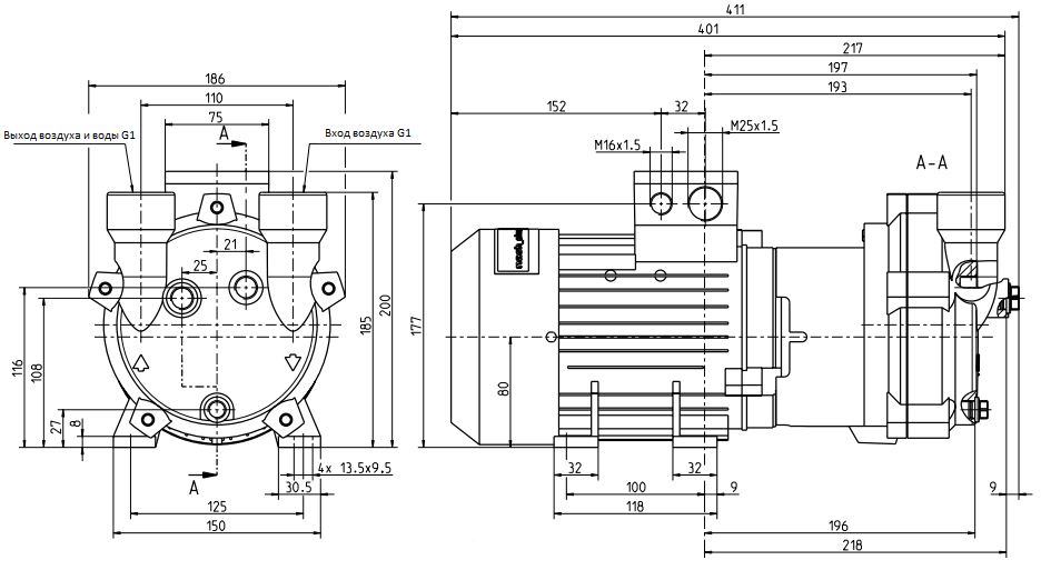
Условный проход патрубков вход/выход G1"
Номинальный расход рабочей жидкости 0,2 м3/ч, максимальный расход 0,5 м3/ч
Диаметр порта подачи жидкости G3/8"
Приводом насоса служит асинхронный двигатель производства фирмы Siemens:
напряжение 220 В/380 В (Δ/Y), 3 фазы, частота 50 Гц, мощность 0,81 кВт.
Допустимые отклонения: напряжение ±5 %, частота ±2 %
Эксплуатационный коэффициент SF = 1,36
Класс защиты IP55, изоляция класса F.
Уровень шума 62 дБ, допуск ± 3 дБ(A)
Условия эксплуатации насоса
Температура перекачиваемых газов/паров до +80 °С
Температура окружающей среды: допустимая от +5 °С до +40 °С, номинальная +20 °С
Температура рабочей жидкости: допустимая от +5 °С до +80 °С, номинальная +15 °С
рН жидкости 6,5 до 9,5, без твердых материалов
Высота над уровнем моря 1000 м
Уровень механической вибрации v eff = 4,5 мм/с
Насос поставляется полностью в сборе, на заводских табличках представлена информация об эксплуатационных характеристиках.
Схема конструкции и материалы исполнения

Дополнительные аксессуары
- Сепаратор отработанной жидкости
- Соединительные фланцы и контрфланцы
- Эжектор
График рабочих характеристик Elmo Rietschle 2BV2 060
Габаритный чертеж насоса Elmo Rietschle 2BV2 060
У нас пока нет отзывов по этой модели.
В настоящее время никто вопросов не задавал. Вы можете быть первым.




































_1.jpg)




























































































































































































































































Гарантия 12 мес.