Описание модели SKA-AS 2061 (колесо AISI 304)
Водокольцевой вакуумный насос SKA-AS 2061 позволяет откачать воздух и иные газы из закрытых объемов.
- Благодаря улучшенной геометрии корпуса и импеллера насос способен реально обеспечить заявленный заводом параметры (в отличие от многих других насосов). Проверено на нашем испытательном стенде.
- Благодаря антикору внутренних элементов импеллер не "закисает" и насос всегда легко стартует. Кроме того, это продляет срок службы насоса.
- Конструкция насоса одноступенчатого типа.
- Импеллер выполнен из нержавеющей стали AISI 304, корпус и разделительная пластина из чугуна.
- Производительность насоса до 52 м3/ч (866 л/мин)
- Глубина остаточного давления 33 мбар (степень вакуума 97%).
- Присоединение воздушной линии резьбовое G 1" (25 мм).
- Присоединение для подвода воды резьбовое G 3/8".
- Расход операционной жидкости 0,12 м3/ч (2 л/мин).
- Уровень шума 65 ± 3 дБ(A).
- Вес - 32,6 кг (проверено нами).
На насосе установлен асинхронный трехфазный двигатель 380 В (50 Гц), 2850 об/мин (2Р), мощностью 1,45 кВт.
Кл. изоляции F, IP 54.
При заказе насоса и подготовке к его установке обратите внимание! Всасывающий патрубок расположен справа, нагнетающий слева.
Условия эксплуатации
- Температура окружающей среды: от +5 °С до +40 °С
- Максимальная температура откачиваемого воздуха/газа до +100 °С
- Сервисная жидкость в насосе должна быть чистой, с pH 6,5 до 9,5
- В спецификации к насосам указано номинальное потребление тока – в реальности оно может отличаться и превышать номинальное в 1,5 раза. Это нужно учитывать при подборе автомата защиты
Материалы исполнения
- Корпус, разделительная пластина – чугун
- Импеллер – нержавеющая сталь AISI 304
- Внутренняя часть корпуса имеет антикоррозионное покрытие
- Вал – конструкционная сталь #45
- Высококачественное механическое уплотнение марки FEIGU – карбид кремния, нерж. сталь AISI 304, фторкаучук
- Подшипники – высокотемпературные подшипники марки C&U
Области применения
- Вакуумная сушка
- Нефтехимия
- Фармацевтика
- Вакуумные медицинские отсосы
- Пищевая и сахарная промышленность
- Деревообработка и другие
Комплект поставки
- Насосы SKA-AS поставляются в индивидуальном ящике из фанеры для безопасной транспортировки
- В комплекте с насосом идет инструкция на английском языке – на русском вы найдете на нашем сайте, на этой странице
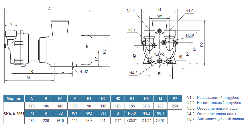
Габаритный чертеж насоса Vetlan SKA-AS 2061 (колесо AISI 304)
Кривые производительности
Видео и 3D-фото
Устройство водокольцевого насоса
Сепаратор – а это еще что?
Проверенный способ починить ВСЕ
Никита Д.
Стабильная работа
Пищевое производство
Используют модель: SKA-AS 2060 (колесо AISI 304)Отзыв оставлен: 2025-02-20 08:21:00
Мы на нашем молочном предприятии долго мучались с проблемами в вакуумных системах, где фасуем йогурт. Были проблемы с немецкими насосами - запчастей или нет или цены космос... В Зенове посоветовали переходить на китайские SKA. Купили и установили, по качеству сборки конечно похуже немцев, НО: фасовка не страдает, вакуум насосы держат плотно, упаковку на выходе не рвет, а значит работают стабильно, и перерасхода пленки нет. Потом рискнули запустить полный цикл 24/7 - пошло хорошо. Разобрались в конструкции быстро, китайцы сделали все по уму, мы патрубки только переварили и поменяли подводку. Расходники все копеечные - уплотнения в 10 раз дешевле! И все всегда есть в наличии. Будем новую линию делать - поставим вакуумник такой же, только помощнее. Все кто сомневается - даже не думайте, советуем
В настоящее время никто вопросов не задавал. Вы можете быть первым.




































_1.jpg)


































































































































































































































































Гарантия 18 мес.