Описание модели BL040001M13
Одноступенчатая вихревая воздуходувка BL040001M13 фирмы Seko позволяет перемещать чистый воздух и прочие неагрессивные газы в режиме компрессора или в режиме вакуумного насоса.
Максимальная производительность воздуходувки 140 м3/час при нулевом перепаде давлений.
- В компрессорном режиме модель обеспечивает максимальный перепад давлений 180 мбар при производительности 38 м3/ч.
- В режиме вакуумного насоса модель обеспечивает максимальный перепад давлений 140 мбар при производительности 40 м3/ч.
Электродвигатель
Воздуходувка BL0400010M13 оснащена монофазным электродвигателем мощностью 1,3 кВт. Номинальная сила тока 7,3 А.
Дополнительные комплектующие
При покупке воздуходувки BL040001M13 рекомендуем также приобрести следующие дополнительные комплектующие:
1. Фильтр в сборе (конус) + соединение. Актуален при работе воздуходувки в режиме компрессора. Использование фильтра необходимо для сохранения гарантии.
2. Сменный бумажный фильтрующий элемент (для фильтра в сборе).
3. Вакуумный фильтр. Актуален при работе воздуходувки в режиме вакуумного насоса, если в емкости, откуда откачивается воздух, есть какие-то механические примеси.
4. Установочный комплект (клапан обратный, манометр, гибкий шланг с фитингами, 4 антивибрационных кронштейна).
5. Предохранительный клапан для защиты воздуходувки от перегрева при избыточном перепаде давлений (вакуумный или компрессорный клапан в зависимости от режима, в котором работает воздуходувка). Использование предохранительного клапана необходимо для сохранения гарантии.
Рабочие характеристики воздуходувки Seko BL040001M13 в режиме компрессора и в режиме вакуумного насоса
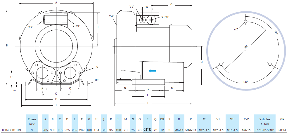
Габаритный чертеж воздуходувки Seko BL040001M13
У нас пока нет отзывов по этой модели.
В настоящее время никто вопросов не задавал. Вы можете быть первым.




































_1.jpg)




























































































































































































































































Гарантия 12 мес.