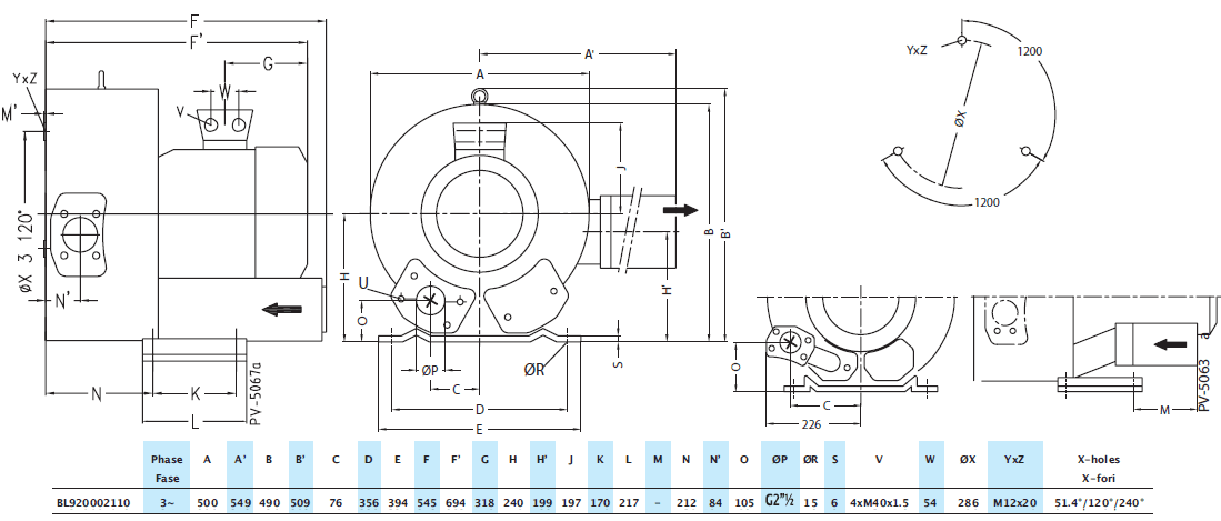
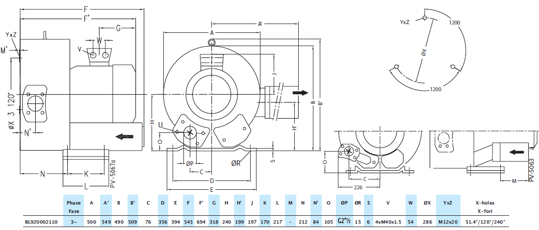
Описание модели BL920002110
Двухступенчатая вихревая воздуходувка BL920002110 фирмы Seko позволяет перемещать чистый воздух и прочие неагрессивные газы в режиме компрессора или в режиме вакуумного насоса.
Максимальная производительность воздуходувки 520 м3/час при нулевом перепаде давлений.
- В компрессорном режиме модель обеспечивает максимальный перепад давлений 600 мбар при производительности 270 м3/ч.
- В режиме вакуумного насоса модель обеспечивает максимальный перепад давлений 430 мбар при производительности 235 м3/час.
Электродвигатель
Воздуходувка BL920002110 оснащена трехфазным электродвигателем мощностью 11 кВт. Номинальная сила тока 28 А (подключение треугольником).
Дополнительные комплектующие
При покупке воздуходувки BL920002110 рекомендуем также приобрести следующие дополнительные комплектующие:
1. Фильтр в сборе (конус) + соединение. Актуален при работе воздуходувки в режиме компрессора. Использование фильтра необходимо для сохранения гарантии.
2. Сменный бумажный фильтрующий элемент (для фильтра в сборе).
3. Вакуумный фильтр. Актуален при работе воздуходувки в режиме вакуумного насоса, если в емкости, откуда откачивается воздух, есть какие-то механические примеси.
4. Установочный комплект (клапан обратный, манометр, гибкий шланг с фитингами, 4 антивибрационных кронштейна).
5. Предохранительный клапан для защиты воздуходувки от перегрева при избыточном перепаде давлений (вакуумный или компрессорный клапан в зависимости от режима, в котором работает воздуходувка). Использование предохранительного клапана необходимо для сохранения гарантии.
Рабочие характеристики воздуходувки Seko BL920002110 в режиме компрессора и в режиме вакуумного насоса
Габаритный чертеж воздуходувки Seko BL9200020110
У нас пока нет отзывов по этой модели.
В настоящее время никто вопросов не задавал. Вы можете быть первым.




































_1.jpg)




























































































































































































































































Гарантия 12 мес.