Описание модели SB 0200 D2
Двухступенчатая вихревая воздуходувка SB 0200 D2 немецкой фирмы Busch перемещает чистый воздух и другие неагрессивные газы и может работать в режиме компрессора или вакуумного насоса.
Воздуходувка SB 0200 D2 имеет производительность до 225 м3/час.
В режиме компрессора перепад давлений развивает давление до 410 мбар при нулевом расходе.
В режиме вакуумного насоса развивает давление до 340 мбар при нулевом расходе.
На воздуходувку устанавливается единственный трехфазный (380 вольт) двигатель мощностью 3 кВт.
Дополнительные комплектующие
При покупке воздуходувки SB 0200 D2 рекомендуем также приобрести следующие дополнительные комплектующие:
1. Фильтр в сборе (конус) + соединение. Актуален при работе воздуходувки в режиме компрессора. Использование фильтра необходимо для сохранения гарантии.
2. Сменный бумажный фильтрующий элемент (для фильтра в сборе).
3. Вакуумный фильтр. Актуален при работе воздуходувки в режиме вакуумного насоса, если в емкости, откуда откачивается воздух, есть какие-то механические примеси.
4. Установочный комплект (клапан обратный, манометр, гибкий шланг с фитингами, 4 антивибрационных кронштейна).
5. Предохранительный клапан для защиты воздуходувки от перегрева при избыточном перепаде давлений (вакуумный или компрессорный клапан в зависимости от режима, в котором работает воздуходувка). Использование предохранительного клапана необходимо для сохранения гарантии.
Условия эксплуатации
Специальные исполнения воздуходувок Samos SB
- Вариант с дополнительным манжетным уплотнением вала и вбитой густой смазкой. Данный вариант позволяет защитить электродвигатель, от перетекания в него перекачиваемого газа (это актуально, например, при производстве биогаза). Но попадание газа вовне воздуходувки данное уплотнение не исключает.
- Вариант аналогичный первому, только дополнительно устанавливаются подшипники из нержавеющей стали. Воздуходувка в данном исполнении обладает повышенной коррозионной стойкостью.
- Вариант с покрытием воздуходувок яхтным лаком.
- Взрывозащищенное исполнение.
Области применения
- прижим листов в печатных и упаковочных машинах;
- вакуумные подъемные устройства;
- стоматологические установки;
- промышленные пылесосы;
- вакуумный прижим на станках с числовым программным управлением.
- аэрация на очистных сооружениях;
- аэрация зарыбленных прудов;
- пневмотранспорт;
- сушка стеклянной тары.
Комплект поставки воздуходувок SB
- Воздуходувка
- Кабель с вилкой (только для версий 220 вольт)
- Инструкция
- Отдельный гарантийный талон не поставляется (гарантия по накладной 12 месяцев со дня продажи).
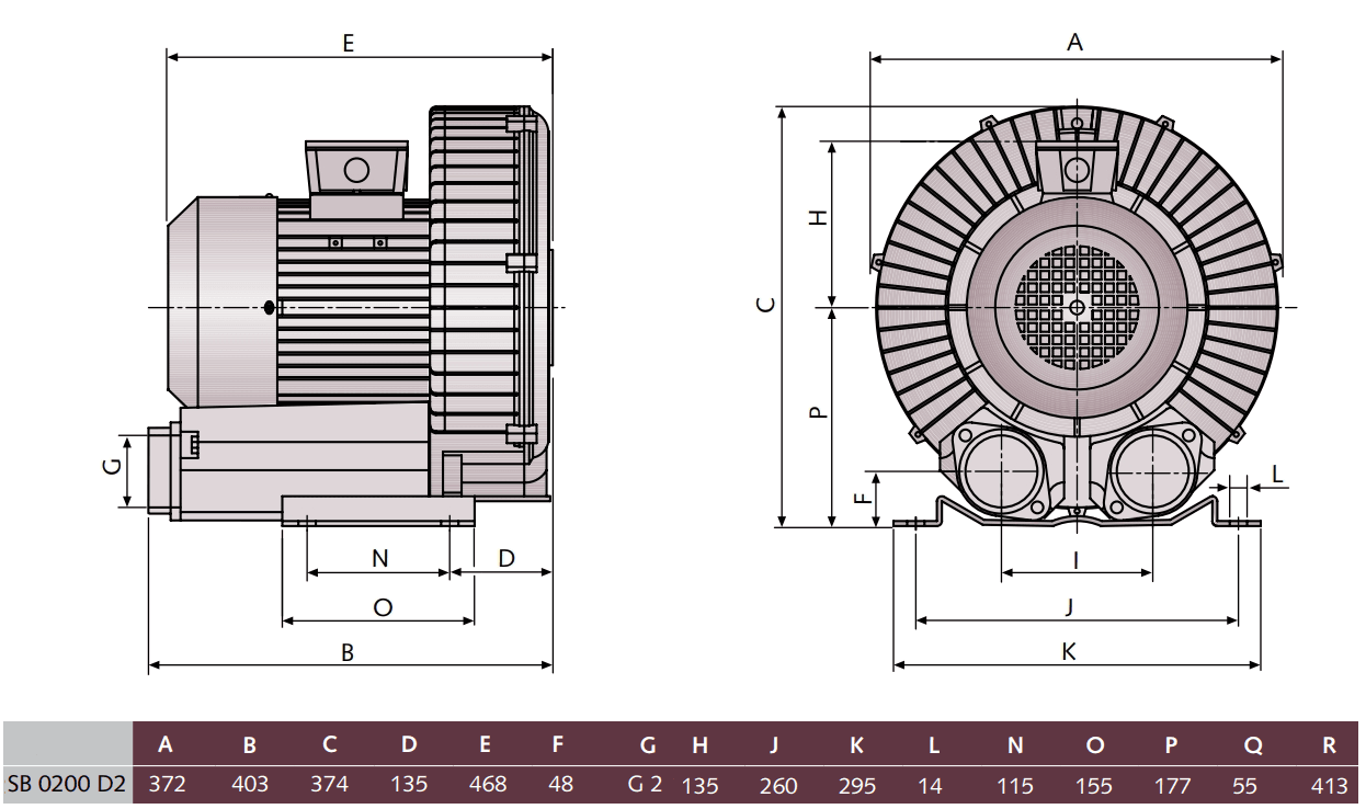
Габаритный чертеж воздуходувки Busch SB 0200 D2
Кривые производительности
Видео

Китайская воздуходувка против итальянской. Сравнительный тест. Ищем смысл переплаты за европейца.
Вакуумные фильтры: как правильно подобрать?
Насколько горячий воздух в воздуходувке?
Герметизируем вихревую воздуходувку
Поднимет ли воздуходувка арбуз?
Кто громче: воздуходувка или оперный певец?
Разбираем воздуходувку правильно, без поломок и лишних деталей
Как (не) сжечь подшипники у воздуходувки




































_1.jpg)




























































































































































































































































Гарантия 12 мес.