Видео
Обзор улучшений + разборка
Улучшенный центробежный высокотемпературный насос WRY
Подключение к сети

Как подключить промышленный асинхронный двигатель
Выставляем соосность
Как выставить соосность без специального оборудования
Описание модели WRY 65-40-200A_Ex
Взрывозащищенный центробежный насос WRY 65-40-200А_Ex служит для перекачивания горячего масла с температурой до +350 °C. Специальная конструкция насоса не требует вспомогательного охлаждения. Насос работает с горячим маслом благодаря использованию дополнительного набивного графитового уплотнения и камеры отвода тепла для защиты механического уплотнения от перегрева.
Производительность насоса в рабочей точке 25 м3/ч при напоре 35 метров.
Входной патрубок 65 мм – осевое всасывание.
Выходной патрубок 40 мм – по центру вертикально вверх.
Характеристики двигателя:
Мощность 5,5 кВт, количество оборотов 2900 об/мин (2 пары полюсов), 3Ф ~, напряжение 380 В, частота 50 Гц, класс энергоэффективности IE3.
Конструктивные особенности линейки WRY
Для того, чтобы насосы WRY могли длительное время работать с раскаленной жидкостью, в них предусмотрены следующие особенности конструкции:
- На выходе из рабочей камеры установлено дополнительное высокотемпературное уплотнение вала из PTFE. Оно позволяет минимизировать протечки раскаленной жидкости в промежуточную камеру насоса (радиатор)
- Промежуточная камера позволяет эффективно отводить тепло, тем самым значительно снижается температура в зоне механического уплотнения
- Масло в радиаторе обеспечивает смазку динамических уплотнений и подшипников, а также охлаждает их
Благодаря таким решениям температура в зоне механического уплотнения не превышает 100°C
Кроме вышеперечисленных особенностей конструкции, насосы серии WRY имеют еще 1 преимущество: корпус насоса выполнен из высокотемпературного сплава углеродистой стали. Соответственно он более прочный по сравнению с корпусом из чугуна. При высоких температурах еще и более долговечный.
Условия эксплуатации
- Температура окружающей среды от минус 30 до +45 °C
- Температура перекачиваемой жидкости -20 °C ~ 350 °C
- Максимальная вязкость от 1 до 150 сСт
- Если вы используете на входе в насос давление выше 1 атм., то уплотнение может протекать – придется менять его чаще
- Вес трубопроводов не должен передаваться на насос. Если к насосу подключаются длинные и тяжелые трубопроводы, предусмотрите для них опоры и подвесы
- В спецификации к насосам указано номинальное потребление тока. В реальности оно может отличаться и превышать номинальное в 1,5 раза. Это нужно учитывать при подборе автомата защиты
Материалы конструкции
- Корпус – углеродистая сталь 20 (cast steel 20)
- Рабочее колесо – термозакаленная сталь Cr35
- Вал – сталь 35CrMo
- Сальниковая набивка из графита/PTFE
- Механическое уплотнение из карбида кремния (SiC) с уплотнительными кольцами из FPM (Viton)
Комплект поставки
- Насос
- Ответные фланцы
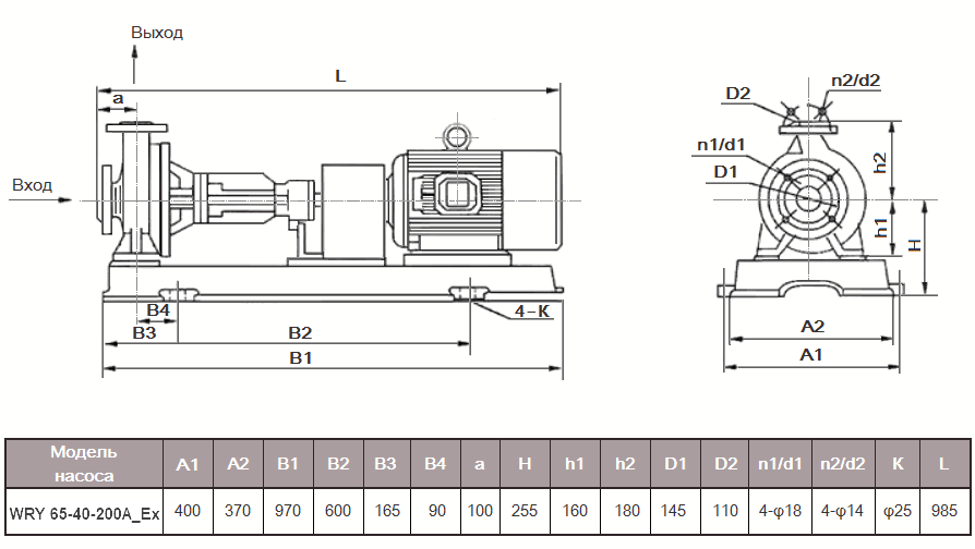
Габаритный чертеж модели WRY 65-40-200A_Ex




































_1.jpg)




























































































































































































































































Гарантия 18 мес.
