Отвод ПВХ к фильтру AF065 (2½″) – описаниеВес отвода - 1060 г (проверено нами).
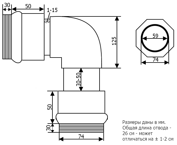
Чертеж отвода:

Вес отвода - 1060 г (проверено нами).
Чертеж отвода:

Совместимые модели оборудования
Вихревые воздуходувки Zenova RB
2RB 810-055, 2RB 810-075, 2RB 830-055, 2RB 830-075, 2RB 820-075, 2RB 820-110, 2RB 820-150, 2RB 840-075, 2RB 840-110
Вихревые воздуходувки Esam
UNIJET 501, UNIJET 500, UNIJET 501_5,5, UNIJET 500_7,5, UNIJET 500_9, UNIJET 500_11
Вихревые воздуходувки Busch SB
Вихревые воздуходувки Becker SV
SV 300/1-022, SV 300/1-030, SV 300/1, SV 300/2-022, SV 300/2, SV 7.330/1-01, SV 7.380/1-01, SV 7.430/1-01, SV 7.330/2-01, SV 7.430/2-01, SV 7.330/1-401, SV 7.330/2-401
У нас пока нет отзывов по этому аксессуару.
В настоящее время никто вопросов не задавал. Вы можете быть первым.




































_1.jpg)



























































































































































































































































