Описание модели 2RB 840-075
У этой воздуходувки два рабочих колеса, и оба работают как первая ступень. Это обеспечивает удвоенную производительность при сохранении достаточного давления.

Условия эксплуатации воздуходувок Zenova (GreenTech) RB
- Вихревые воздуходувки рассчитаны на непрерывную работу
- Воздух на входе в воздуходувку должен быть чистым, без механических частиц
- Температура воздуха на входе в воздуходувку должна быть от -30 до +40 °C. При температуре +40°C на входе следует ограничить рабочее давление до 85-90% от максимального
- Допускается подключение воздуходувок RB через внешние частотные преобразователи (не входят в комплект поставки воздуходувки). При этом допустимый диапазон регулирования составляет 35 - 65 Гц
- Во время работы допускается нагрев электродвигателя до температуры +135 °C. При использовании защитной автоматики с термодатчиками следует ориентироваться на эту цифру
- Специальное техническое обслуживание воздуходувкам Zenova RB не требуется. Номинальный срок службы подшипников 20 000 часов, но рекомендуется заменять подшипники раньше (каждые 10 000 - 15 000 часов) во избежание их выхода из строя во время работы. Если подшипник выходит из строя на работающей воздуходувке, то обычно это приводит к поломке рабочего колеса и необходимости его замены
Преимущества воздуходувок Zenova RB перед бюджетными аналогами
Воздуходувки Zenova RB превосходно изготовлены и при этом стоят относительно недорого. Однако на рынке есть более дешевые воздуходувки, которые можно найти на 10% дешевле. Мы купили несколько таких дешевых воздуходувок и провели сравнительный тест. У всех купленных экземпляров оказались схожие друг с другом проблемы
| Аналогичная бюджетная воздуходувка | Zenova RB | |
| реальный расход | выше заявленного при низком давлении, но ниже заявленного при максимальном давлении | выше заявленного при низком давлении, но ниже заявленного при максимальном давлении |
| реальное давление | полностью соответствует | полностью соответствует |
| качество литья корпуса | низкое, есть сквозные микротрещины, закрытые краской | высокое, нет трещин и каверн |
| качество двигателя | низкое | высокое |
| потребление энергии | до 2 раз выше чем у Zenova RB | умеренное |
| нагрев при работе | высокий нагрев корпуса и двигателя на 10 - 15 °C выше чем у Zenova RB | умеренный нагрев |
| марка подшипников | NSK | NSK |
| ресурс подшипников | сниженный из-за нагрева корпуса при работе | высокий |
Подробный видеоотчет о тестировании можете посмотреть здесь.
Области применения
- Аэрация
- Деревообработка
- Типография
- Медицина
- Фармацевтика
- Работа станков с ЧПУ
- Системы пневмотранспорта
- Процессы упаковки с использованием вакуума и др
Комплект поставки
- Вихревая воздуходувка
- Одноступенчатые воздуходувки поставляются в сборе, с двухступенчатыми поставляется комплект глушителя
Графики рабочих характеристик Zenova 2RB 840-075
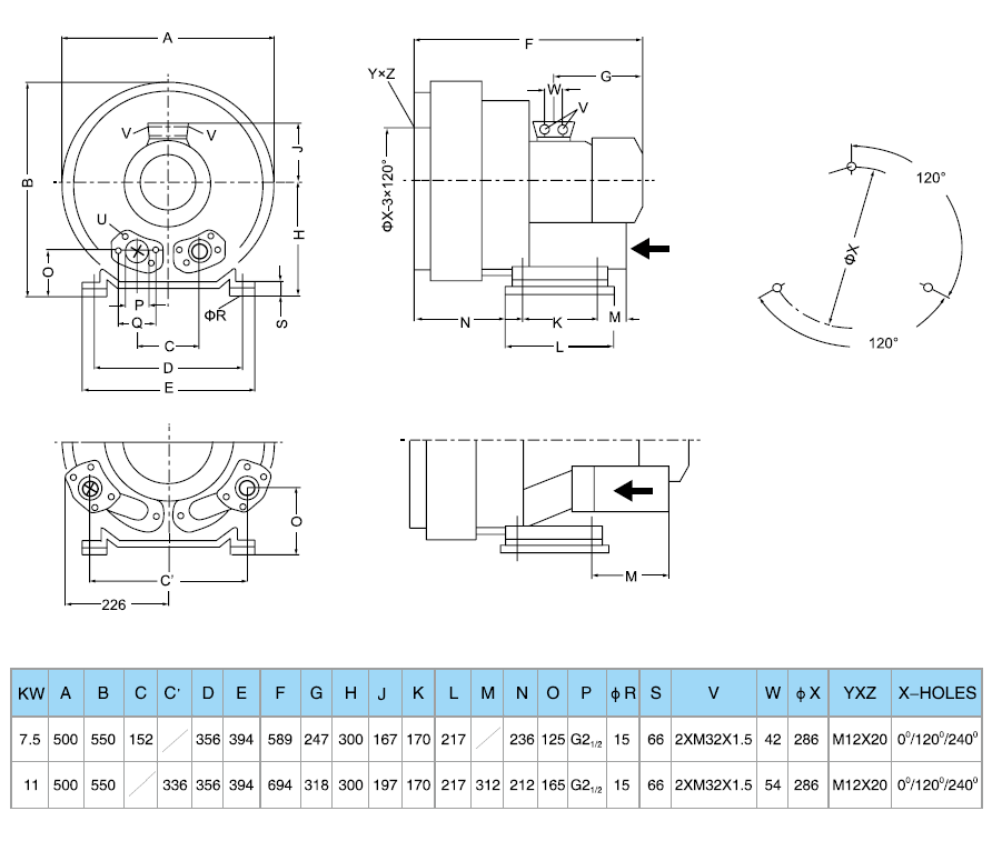
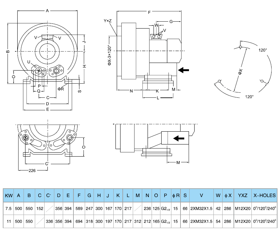
Габаритный чертеж воздуходувки Zenova 2RB 840-075
Видео и 3D-фото

Китайская воздуходувка против итальянской. Сравнительный тест. Ищем смысл переплаты за европейца.
Как правильно подключить вихревую воздуходувку Zenova RB
Почему Zenova RB лучше, чем более дешевые аналоги
Ищем предел прочности воздуходувки Zenova RB! Тест на перегрев
Разбираем воздуходувку правильно, без поломок и лишних деталей




































_1.jpg)

































































































































































































































































Гарантия 24 мес.
Отличная надежность












