Видео
Zenova RB vs Esam

Сравнительный тест воздуходувок Esam и Zenova RB
Подключение
Как правильно подключить вихревую воздуходувку Zenova RB
Zenova RB vs дешевый аналог
Почему Zenova RB лучше, чем более дешевые аналоги
Тест на перегрев
Ищем предел прочности воздуходувки Zenova RB
Разборка
Разбираем воздуходувку правильно
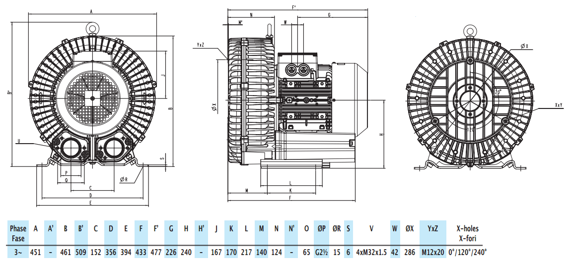
Описание модели 2RB 810-075
Одноступенчатая вихревая воздуходувка 2RB 810-075 (заводское обозначение 2RB 810 H27) позволяет перекачивать чистый воздух и другие неагрессивные газы. Производится на современном заводе по заказу компании Zenova
Максимальная производительность воздуходувки 530 м³/час при нулевом перепаде давлений.
В режиме нагнетания (компрессора) создает давление до +380 мбар. При таком давлении расход воздуха 170 м³/час.
В вытяжном (вакуумном) режиме создает разрежение до -320 мбар. При таком разрежении расход воздуха 140 м³/час.
Входной и выходной патрубки воздуходувки обращены назад. Диаметр присоединения G 2 1/2" (65 мм).
Воздуходувка оснащена трехфазным электродвигателем мощностью 7,5 кВт на 2900 об/мин. Номинальный ток зависит от метода подключения и напряжения:
- при подключении ∆ (треугольником) и напряжении 345 - 415 вольт номинальный ток составляет 10 А
- при подключении Y (звездой) и напряжении 600-720 вольт номинальный ток составляет 5,2 А.
Дополнительные комплектующие (не входят в комплект базовой поставки):
При покупке воздуходувки рекомендуем также приобрести следующие дополнительные комплектующие:
1. Фильтр в сборе + соединение. Актуален при работе воздуходувки в режиме компрессора. Использование фильтра строго необходимо, если в воздуходувку поступает неочищенный воздух (например, с улицы).
2. Сменный бумажный фильтрующий элемент (для фильтра в сборе).
3. Вакуумный фильтр. Актуален при работе воздуходувки в режиме вакуумного насоса, если в емкости, откуда откачивается воздух, есть какие-то механические примеси.
4. Предохранительный клапан для защиты воздуходувки от перегрева при избыточном перепаде давлений (вакуумный или компрессорный клапан в зависимости от режима, в котором работает воздуходувка). Использование предохранительного клапана строго необходимо, если рабочий перепад давлений будет близок к максимально допустимому для этой модели.
Условия эксплуатации воздуходувок Zenova (GreenTech) RB
- Вихревые воздуходувки рассчитаны на непрерывную работу
- Воздух на входе в воздуходувку должен быть чистым, без механических частиц
- Температура воздуха на входе в воздуходувку должна быть от -30 до +40 °C. При температуре +40°C на входе следует ограничить рабочее давление до 85-90% от максимального
- Допускается подключение воздуходувок RB через внешние частотные преобразователи (не входят в комплект поставки воздуходувки). При этом допустимый диапазон регулирования составляет 35 - 65 Гц
- Во время работы допускается нагрев электродвигателя до температуры +135 °C. При использовании защитной автоматики с термодатчиками следует ориентироваться на эту цифру
- Специальное техническое обслуживание воздуходувкам Zenova RB не требуется. Номинальный срок службы подшипников 20 000 часов, но рекомендуется заменять подшипники раньше (каждые 10 000 - 15 000 часов) во избежание их выхода из строя во время работы. Если подшипник выходит из строя на работающей воздуходувке, то обычно это приводит к поломке рабочего колеса и необходимости его замены
Преимущества воздуходувок Zenova RB перед бюджетными аналогами
Воздуходувки Zenova RB превосходно изготовлены и при этом стоят относительно недорого. Однако на рынке есть более дешевые воздуходувки, которые можно найти на 10% дешевле. Мы купили несколько таких дешевых воздуходувок и провели сравнительный тест. У всех купленных экземпляров оказались схожие друг с другом проблемы
| Аналогичная бюджетная воздуходувка | Zenova RB | |
| реальный расход | выше заявленного при низком давлении, но ниже заявленного при максимальном давлении | выше заявленного при низком давлении, но ниже заявленного при максимальном давлении |
| реальное давление | полностью соответствует | полностью соответствует |
| качество литья корпуса | низкое, есть сквозные микротрещины, закрытые краской | высокое, нет трещин и каверн |
| качество двигателя | низкое | высокое |
| потребление энергии | до 2 раз выше чем у Zenova RB | умеренное |
| нагрев при работе | высокий нагрев корпуса и двигателя на 10 - 15 °C выше чем у Zenova RB | умеренный нагрев |
| марка подшипников | NSK | NSK |
| ресурс подшипников | сниженный из-за нагрева корпуса при работе | высокий |
Подробный видеоотчет о тестировании можете посмотреть здесь.
Области применения
- Аэрация
- Деревообработка
- Типография
- Медицина
- Фармацевтика
- Работа станков с ЧПУ
- Системы пневмотранспорта
- Процессы упаковки с использованием вакуума и др
Комплект поставки
- Вихревая воздуходувка
- Одноступенчатые воздуходувки поставляются в сборе, с двухступенчатыми поставляется комплект глушителя
Габаритный чертеж воздуходувки Zenova 2RB 810-075
Кривые производительности
3D-фото
Семен В.
Обновленная модель радует
Производство
Используют модель: 2RB 510-022Отзыв оставлен: 02.12.2025
У нас стоят воздуходувки разных производителей для разных задач. Немцы на вакуум, "российские" на давление.
Из "российских" покупали EVL и Zenova RB. Первые были получше. Чуть меньше грелись на высоком давлении.
Сейчас получили обновленную модель 2RB 510-022. Прям радует. Нагрев уменьшился. Расход воздуха на нагнетание выше чем у EVL, причем прилично (у нас давление примерно 15 кПа). С учетом цены обновленные воздуходувки Zenova RB - топчик:))
Вячеслав Ж
Рыбная ферма
Используют модель: 2RB 610-030Отзыв оставлен: 30.05.2025
Год стоит на пруду для аэрации, вода не цветет, бурлит отлично. Только фильтр на всасе поставили, как и советовали — у нас песок кругом.
Ульяна
Соответствует графику
Сельское хозяйство
Используют модель: 2RB 510-022Отзыв оставлен: 28.05.2025
Перепробовали кучу марок для длинных шлангов. Эта Zenova первая, кто реально выдал обещанные 210 мБар. Посмотрим, как долго прослужит
Анатолий З
Тяжеловата
Сушка кровли
Используют модель: 2RB 710-022Отзыв оставлен: 20.05.2025
Для сушки кровли на объектах брали, однофазные слабоваты. Купили генератор и эту трехфазную Zenova. Продувает отлично, в полевых условиях держится уже второй год
Степан
Фрезеровка
Используют модель: 2RB 510-016Отзыв оставлен: 15.05.2025
Поставили на станок для уборки стружки.
Тянет мощно, как пылесос. Пришлось только фильтр сменить на циклонный, так как слишком уж хорошо сосет
Ростислав П
Ферма карпов
Используют модель: 2RB 710-022Отзыв оставлен: 30.04.2025
Раньше UV ставили, дважды в год перегорали от перегрева, с Zenova таких проблем нет. Второй сезон работает без нареканий
Святослав У
Низкий уровень брака
фильтрация воды
Используют модель: 2RB 810-055Отзыв оставлен: 25.04.2025
Закупаем воздуходувки партиями для очистных. У Zenova самый низкий процент брака из тех, что мы видели среди российских аналогов.
Кирилл А
Расход выдает железно
Станция водоподготовки
Используют модель: 2RB 730-040Отзыв оставлен: 18.04.2025
На станции водоподготовки нагрузка скачет, поэтому нам нужен был запас по расходу.
Эта модель (RB 730-040) выдает паспортные цифры железно, на пике справляется, в целом, с учетом большого опыта эксплуатации подобного оборудования никаких критичных для нас моментов не выявили, отзыв запросили честный, в обмен на скидку, но выделить какие-то минусы адекватные мы не смогли, нас устраивает
Иван Ф
Стабильно работает
ЧПУ обработка металлоизделий
Используют модель: 2RB 610-022Отзыв оставлен: 14.04.2025
Срочно нужна была замена. Здесь не на словах, а по факту протокол испытаний показали. Агрегат работает ровно, параметры не врет.
Алексей Р
Промышленное производство
Используют модель: 2RB 510-M016Отзыв оставлен: 08.04.2025
Взяли вместо старой Гринко. Дует так же хорошо, мотор не греется. И двигатель сразу однофазный, без переделок, это плюс
Арсений У
Хорошо работает
Монтаж сборочных линий
Используют модель: 2RB 410-M013Отзыв оставлен: 03.04.2025
Работает тихо, без лишних вибраций. Включил и забыл. То, что нужно для постоянной работы
Федор Д
Экономичная
Аэрация прудов
Используют модель: 2RB 310-005Отзыв оставлен: 31.03.2025
Ставим Zenova на пруды уже не в первый раз. Нормально заменяет немецкую технику, а по деньгам выгоднее. Расходует немного, ломается редко.
Сергей
Рыбная ферма
Используют модель: 2RB 210-004Отзыв оставлен: 24.03.2025
Наша 2RB 210-004 в сыром цеху четыре года отработала без проблем. Только на пятый подшипник застучал. Решили не мудрить и купили такую же новую. За свои деньги отличный вариант.
Василий
Нормальная воздуходувка для биофильтра
Рыбная ферма
Используют модель: 2RB 210-M004Отзыв оставлен: 18.03.2025
Воздуходувка стоит на биофильтре уже полгода. Раньше была другая - грелась, летом сгорела. Взял эту. Выше 60ти градусов не нагревается в жару, рекомендую
Анатолий
рыбферма
Используют модель: 2RB 310-M005Отзыв оставлен: 10.03.2025
Поставили на биофильтр, шумит, ощутимо громче компрессора, но зато свою работу делает лучше: загрузка бурлит хорошо. И не греется
Александр Н
Малек доволен
Рыбоводство
Используют модель: 2RB 410-013Отзыв оставлен: 05.03.2025
Взял воздуходувку на замену старой МТ. По характеристикам полный аналог, Удивительно, но дует сильнее, а ток берет меньше. Мальки активнее корм жрут и растут, работает тише
Алексей Б.
Воздуходувку рекомендую
Промышленное производство и автоматизация
Используют модель: 2RB 820-110Отзыв оставлен: 28.02.2025
Специализируемся на сборке высокоточных пневматических систем для линии автоматизированных упаковочных машин. Активно используем воздуходувку 2RB 820-110. В условиях цеха, где требуется стабильное создание воздушных потоков как для нагнетания, так и для вакуумного режима, воздуходувка показывает себя на отлично, обеспечивая хорошую производительность при нулевом перепаде давлений. Порадовала возможность подключения как по треугольнику, так и по звезде, так как стратификация напряжений вызывает определённые сложности. Еще у нее довольно удобное расположение входного и бокового выходного патрубков, что значительно упрощает интеграцию воздуходувки. Понравилось, что подшипники используются стандартные - 6207 и 6309. Мы их купили заранее, чтобы быть готовыми, а больше у воздуходувки ломаться особо нечему. Воздуходувку рекомендую.
Ирина Ж
Рыбоводческое хозяйство
Используют модель: 2RB 510-022Отзыв оставлен: 27.02.2025
Для артемии сначала edon ставили. Параметры не выдает, воздуха не хватает. Рак чуть не передох. Купили такую же Zenova -тут все четко. Рачку лучше
Игорь Г.
Надежная воздуходувка
Покрасочные работы
Используют модель: 2RB 210-004Отзыв оставлен: 24.02.2025
Взял 2 воздуходувки зенова 210. Используем для сушки после покраски. Свою работу делают. Надежность нормальная. Воздуходувка компактная, легко интегрируется в систему. Мощность 0.37 кВт – экономично. Ей бы еще индикатор перегрева для большей безопасности, так было бы просто идеально.
Юрий Б
Соответствует давлению
Креветочная ферма
Используют модель: 2RB 420-022Отзыв оставлен: 19.02.2025
Наконец-то нашли воздуходувку для наших глубоких (3-5 м) бассейнов с молодью. Выдает ровно то давление, что заявлено. Вода из труб выгналась, но деликатную мембрану не порвала. Идеально
Андрей И.
Рыбное хозяйство
Используют модель: 2RB 310-M005Отзыв оставлен: 04.07.2024
Всем рекомендую. Покупаю уже 5 воздуходувку, на этот раз модель 2rb 310-M005. Плюсы: склад в Перми, техники в Перми, зч в Перми. Сотрудник склада Алексей после 10 минут разговора все подробно объяснил и убедил взять манометр и фильтр. Всегда на связи в Вотсапе. Я доволен. Рекомендую.
Даниил А.
Отлично справляется с задачей
Рыбное хозяйство
Используют модель: 2RB 410-013Отзыв оставлен: 26.01.2022
Покупали здесь воздуходувку в прошлом году для своего не большого хозяйства. Хочу выразить сотрудникам благодарность, всё чётко и оперативно. Даже доставили бесплатно. Всё работает, надеюсь и дальше так будет. Обязательно будем сотрудничать. Всем рекомендую.
Антон Ч.
Хорошая воздуходувка
Очистка сточных вод
Используют модель: 2RB 720-075Отзыв оставлен: 11.05.2021
Купили воздуходувку Zenova 2RB 720-075 для аэрации аэротенка биологической очистки. Изначально у нас возникли определенные проблемы. Мы установили ее вертикально и по прошествии полутора месяцев она стала сильно шуметь. Обратились в сервисный центр Зеновы за консультацией. Специалист нам объяснил, что эта воздуходувка не предназначена для вертикальной установки и рекомендовали разобрать агрегат для выявления причины шума. Вскрытие выявило, что из за вертикальной установки подгорел подшипник в рабочей камере. Нам позволили заменить подшипник своими силами с сохранением гарантии. Подшипник заменили, воздуходувку установили горизонтально. После этого она без проблем отработала уже нескольких месяцев. Воздуходувкой довольны.
В настоящее время никто вопросов не задавал. Вы можете быть первым.




































_1.jpg)

































































































































































































































































Гарантия 24 мес.
Отличная надежность












