Описание модели 50WQ20-55-11/2
Насос Fancy 50WQ20-55-11/2 представляет собой погружной канализационный насос для сточных вод, содержащих твердые или длинноволокнистые включения. Корпус насоса изготовлен из прочного чугуна HT250 увеличенной толщины, данный корпус устойчив к истиранию и долговечен.
Максимальный расход модели составляет 40 м3/час, максимальный напор 64 м.в.ст. Выходной патрубок – 50 мм (2”).
Двигатель мощностью 11 кВт, 3Ф~, 380 В (50 Гц), номинальная скорость 2900 об/мин (2Р).
Условия эксплуатации
- Температура перекачиваемой жидкости во время работы насоса не должна превышать +40 °C.
- Плотность перекачиваемой жидкости не должна превышать 1,2 кг/дм3 (1200 кг/м3).
- Во время работы насос должен быть погружен в воду не менее чем наполовину.
- Глубина погружения насоса при работе не должна превышать 10 метров (однако длина кабеля в комплекте поставки всего 7 метров для насосов с двухполюсным двигателем и 8 метров с четырехполюсным/шестиполюсным). Так как большинство насосов погружаются на глубину 1-2 метра, то 8-метрового кабеля будет достаточно. Для погружения на глубину от 8 до 10 метров необходима замена или наращивание кабеля.
- Насос не предназначен для перекачки агрессивной жидкости или жидкости с большим содержанием твердых и волокнистых частиц.
- Максимальный диаметр прохода твердых частиц не должен превышать указанного в технических характеристиках.
- Допускается непрерывная работа насоса не более 8 часов при средней нагрузке и не более 5 часов при максимальной нагрузке.
Материалы конструкции
- Корпус насоса и рабочее колесо изготовлены из чугуна HT250.
- Механическое уплотнение с парой трения карбид вольфрама и карбид кремния.
- Кольцевые уплотнения из фторкаучука.
Область применения
- Системы отопления и водоснабжения
- Тепловые пункты
- Оросительные системы
- Перекачка жидкости в вентиляционных системах
- Системы кондиционирования воздуха и др.
Комплект поставки
- Насос.
- Высокотемпературный кабель длиной 7 или 8 метров (в зависимости от модели), изначально заведен в корпус насоса.
- Руководство по эксплуатации.
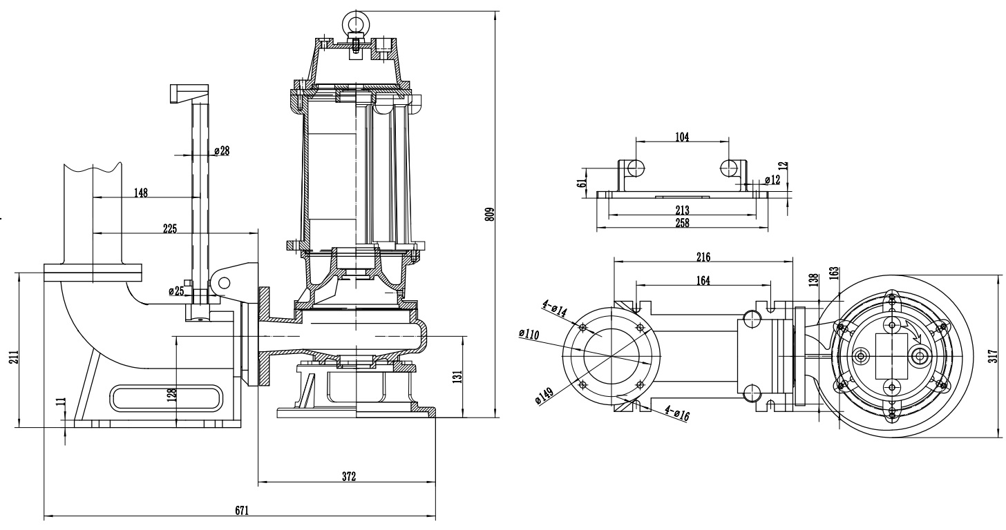
Габаритный чертеж модели Fancy 50WQ20-55-11/2
Кривые производительности
У нас пока нет отзывов по этой модели.
В настоящее время никто вопросов не задавал. Вы можете быть первым.




































_1.jpg)




























































































































































































































































Гарантия 12 мес.