Описание модели DRX 100/2/G50V AOCM-E
Дренажный насос Zenit DRX 100/2/G50V AOCM-E для погружной работы используется в химической отрасли где требуется обработка особо агрессивных, коррозийных сред. Открытое рабочее колесо (крыльчатка) многоступенчатого типа пропускает твердые частицы с диаметром 15 мм. Основные элементы конструкции выполнены из нержавеющего спецсплава. Максимальная глубина погружения насоса 20 м. Напорный патрубок G 2”, расположен вертикально и имеет резьбовое присоединение. Насос произведен компанией Zenit (Италия).
Технические данные Zenit DRX 100/2/G50V AOCM-E: оптимальная рабочая точка 21,6 м3/ч (360 л/мин.) при напоре 7,5 м вод. ст. Показатели общей производительности от 7,2 до 28,8 м3/час (120,0 - 480,0 л/мин.), напор от 4,8 до 11,1 м вод. ст.
Насос оборудован двухполюсным асинхронным двигателем мощностью 0,88 кВт, 220 Вольт/1 фаза, потребляемый ток 6,5 А. Для защиты от перегрева двигатель помещен масляную ванну.
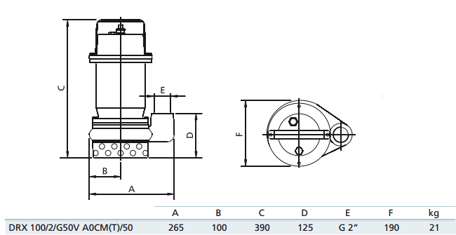
Габаритный чертеж насоса Zenit DRX 100/2/G50V AOCM-E
Кривые производительности
У нас пока нет отзывов по этой модели.
В настоящее время никто вопросов не задавал. Вы можете быть первым.




































_1.jpg)



























































































































































































































































