Описание модели DRY 750/4/80 AOHT-E
Погружной дренажный электронасос Zenit DRY 750/4/80 AOHT-E представляет собой электромеханическую конструкцию из специальных сплавов, выдерживающих воздействие коррозийной агрессивной (соляной, кислотной) среды, прежде всего, в химическом производстве. Большой свободный интегральный просвет предотвращает блокировку крыльчатки, выбрасывая песок, волокнистые и твердые частицы до 70 мм. Три механических уплотнения между электродвигателем и крыльчаткой помещены в осматриваемую масляную камеру, что увеличивает их срок эксплуатации. Насос рассчитан на 30 запусков в час на глубине до 20 метров.
Гидравлические характеристики: оптимальная рабочая точка 108,0 м3/ч (1800л/мин.) при напоре 12,0 м вод. столба. Показатели производительности колеблются от 18,0 до 180,0 м3/час (300,0 - 3000,0 л/мин.) при напоре от 5,0 до 17,8 м вод. столба.
В насосе использован трехфазный электродвигатель в масляной ванне: мощность 6,5 кВт, 2900 об/мин, напряжение 380 В, сила тока 14,9 А.
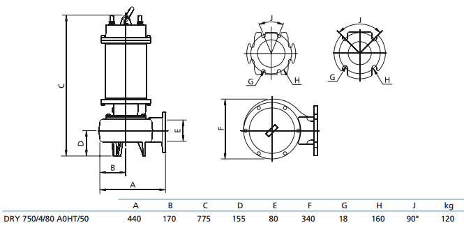
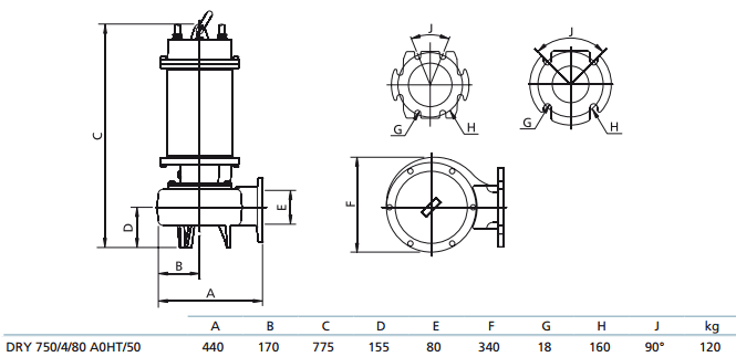
Габаритный чертеж насоса Zenit DRY 750/4/80 AOHT-E
Кривые производительности
У нас пока нет отзывов по этой модели.
В настоящее время никто вопросов не задавал. Вы можете быть первым.




































_1.jpg)



























































































































































































































































