Описание модели DRY 300/4/80 AOFT-E
Погружной дренажный электронасос Zenit DRY 300/4/80 A0FT-E представляет собой электромеханическую конструкцию из специальных сплавов, выдерживающих воздействие коррозийной агрессивной (соляной, кислотной) среды, прежде всего, в химическом производстве. Большой свободный интегральный просвет предотвращает блокировку крыльчатки, выбрасывая песок, волокнистые и твердые частицы до 67 мм. Три механических уплотнения между электродвигателем и крыльчаткой помещены в осматриваемую масляную камеру, что увеличивает их срок эксплуатации. Насос рассчитан на 30 запусков в час на глубине до 20 метров.
Гидравлические характеристики: оптимальная рабочая точка 54,0 м3/ч (900,0 л/мин.) при напоре 7,3 м вод. столба. Показатели производительности колеблются от 13,0 до 106,0 м3/час (216,7 - 1766,7 л/мин.) при напоре от 3,2 до 10,5 м вод. столба.
В насосе использован трехфазный электродвигатель в масляной ванне: мощность 2,4 кВт, 2900 об/мин, напряжение 380 В, сила тока 6,1 А.
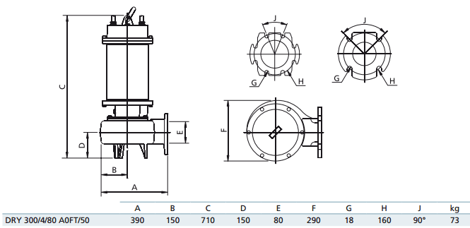
Габаритный чертеж насоса Zenit DRY 300/4/80 AOFT-E
Кривые производительности
У нас пока нет отзывов по этой модели.
В настоящее время никто вопросов не задавал. Вы можете быть первым.




































_1.jpg)



























































































































































































































































