Описание модели DRY 550/4/80 AOGT-E
Погружной дренажный электронасос Zenit DRY 550/4/80 AOGT-E представляет собой электромеханическую конструкцию из специальных сплавов, выдерживающих воздействие коррозийной агрессивной (соляной, кислотной) среды, прежде всего, в химическом производстве. Большой свободный интегральный просвет предотвращает блокировку крыльчатки, выбрасывая песок, волокнистые и твердые частицы до 67 мм. Три механических уплотнения между электродвигателем и крыльчаткой помещены в осматриваемую масляную камеру, что увеличивает их срок эксплуатации. Насос рассчитан на 30 запусков в час на глубине до 20 метров.
Гидравлические характеристики: оптимальная рабочая точка 72,0 м3/ч (1200л/мин.) при напоре 9,9 м вод. столба. Показатели производительности колеблются от 15,0 до 146,0 м3/час (250,0 - 2433,3 л/мин.) при напоре от 4,3 до 13,6 м вод. столба.
В насосе использован трехфазный электродвигатель в масляной ванне: мощность 4,6 кВт, 2900 об/мин, напряжение 380 В, сила тока 10,1 А.
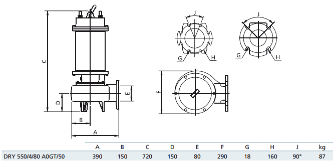
Габаритный чертеж насоса Zenit DRY 550/4/80 AOGT-E
Кривые производительности
У нас пока нет отзывов по этой модели.
В настоящее время никто вопросов не задавал. Вы можете быть первым.




































_1.jpg)



























































































































































































































































