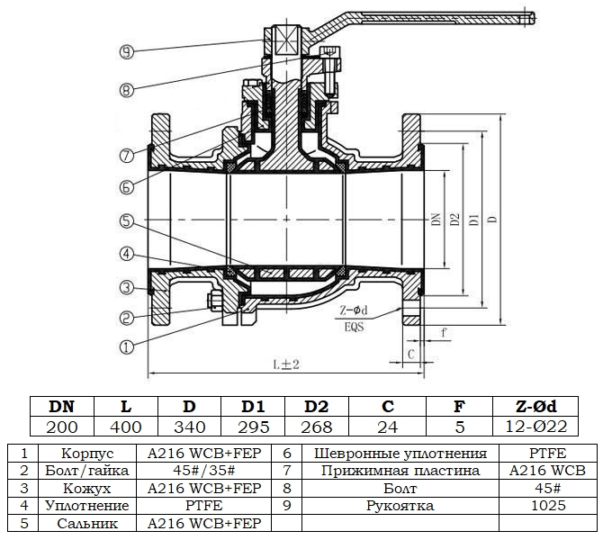
Описание модели КШХ 200/16.1
Стандартный шаровой химический кран с фторопластовой футеровкой проточной части, предназначен для перекрытия потока химически активных жидкостей в трубопроводах стандартного диаметра. Данный кран имеет установочный диаметр 200 мм или 8 дюймов, он рассчитан на давление не более 1,6 МПа или 16 атмосфер. Кран имеет фланцевые присоединения, совместимые со стандартными фланцами.
Корпус крана выполнен из углеродистой стали, обеспечивающей конструкционную прочность изделия, проточная часть футерована фторопластом FEP обеспечивающем достаточный уровень защиты от большинства агрессивных жидкостей, включая растворы кислот и щелочей, солевые и полярные растворы, органику и растворители.
Чаще всего запорная арматура этого класса применяется при перекачке нефти и нефтепродуктов, но может использоваться и для транспортировки широкого круга неорганических веществ в лабораториях и на производстве.
Материалы конструкции
- Корпус крана, ручка, шток и шар выполнены из углеродистой стали A216 WCB. Эта сталь близка по составу российской стали 25Л, но имеет большее содержание марганца. Благодаря этому сталь A216 WCB имеет более высокий предел прочности и лучше подходит для трубопроводной арматуры.
- Проточная часть крана и шара футерованы химически стойким фторопластом FEP (аналог Ф-4МБ) толщиной 4-5 мм.
- Уплотнительные элементы крана выполнены из фторопласта PTFE.
- Наружные болты сделаны из углеродистой стали #45 (аналог российской стали 20).
- Все наружные металлические элементы имеют антикоррозионную подготовку.
- Все наружные металлические элементы окрашены защитной эпоксидной краской синего цвета.
Комплект поставки
- Кран;
- Ручка для крана.
Габаритный чертеж крана шарового химического Zenova КШХ 200/16.1
Сергей Р.
Хороший кран
Химическое производство
Используют модель: КШХ 50/16.1Отзыв оставлен: 07.02.2022
Кран шаровый химический Zenova КШХ 50/16.1. куплен 15.11.2021. Кран установлен в декабре в технологический трубопровод с разбавленной соляной кислотой. Работает без нареканий. Никаких особенностей нет, хороший кран, свою функцию выполняет.
В настоящее время никто вопросов не задавал. Вы можете быть первым.




































_1.jpg)





























































































































































































































































Гарантия 18 мес.
