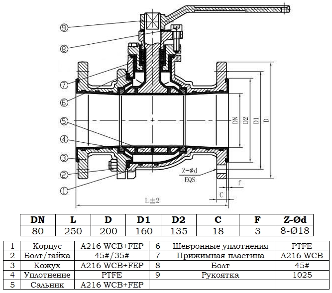
Описание модели КШХ 80/16.1
Шаровой химический кран Zenova КШХ 80/16.1 предназначен для перекрытия потока химически активных жидкостей в трубопроводах стандартного диаметра. Кран имеет фланцевое соединение. Диаметр прохода 80 мм. Максимальное допустимое давление 16 бар.
Корпус крана выполнен из углеродистой стали, обеспечивающей конструкционную прочность изделия. Проточная часть футерована фторопластом FEP. Он обеспечивает высокий уровень защиты от большинства агрессивных жидкостей, включая растворы кислот и щелочей, солевые и полярные растворы, органику и растворители.
Кран КШХ 80/16.1 может работать в диапазоне температур от -30 до +150 °C. Если вам необходима работа крана при экстремально низких или высоких температурах, то для этой цели лучше использовать версию с материалом футеровки PFA и другой маркой стали: КШХ 80/16.1 PFA. Такой кран уже сможет выдержать диапазон температур от -50 до +160 °C.
Материалы конструкции
- Корпус крана, ручка, шток и шар выполнены из углеродистой стали A216 WCB. Эта сталь близка по составу российской стали 25Л, но имеет большее содержание марганца. Благодаря этому сталь A216 WCB имеет более высокий предел прочности и лучше подходит для трубопроводной арматуры.
- Проточная часть крана и шара футерованы химически стойким фторопластом FEP (аналог Ф-4МБ) толщиной 4-5 мм.
- Уплотнительные элементы крана выполнены из фторопласта PTFE.
- Наружные болты сделаны из углеродистой стали #45 (аналог российской стали 20).
- Все наружные металлические элементы имеют антикоррозионную подготовку.
- Все наружные металлические элементы окрашены защитной эпоксидной краской синего цвета.
Комплект поставки
- Кран;
- Ручка для крана.
Габаритный чертеж крана шарового химического Zenova КШХ 80/16.1




































_1.jpg)































































































































































































































































Гарантия 18 мес.
