Описание модели ST-D AD0051--00100
Мембранный дозировочный насос Etatron ST-D AD0051—00100 применяется для дозирования вязких и абразивных реагентов с максимальной производительностью 51 л/час и противодавлением 11 бар.
Корпус дозатора отлит из алюминия и покрыт защитной краской. Проточная часть (головка) имеет версии исполнения АА – из нержавеющей стали AISI 316L и СА - из полипропилена (ПП).
Регулирование производительности, в том числе во время работы насоса, осуществляется вручную посредством микрометрического винта, изменяющего длину хода мембраны. Пружинный механизм коробки передач обеспечивает возврат пистона в исходное положение. Диаметр мембраны 67 мм. Ход пистона 3,1 мм, 120 тактов/минуту.
Насос оснащен трехфазным вертикально закрепленным электродвигателем 0,18 кВт. Класс изоляции F.
Комплект поставки
Дозирующий насос поставляется с заглушенными входом (клапан забора) и выходом (клапан сброса) в индивидуальной картонной коробке, для любых видов перевозки. В каждой коробке находится инструкция-паспорт по установке и обслуживанию.
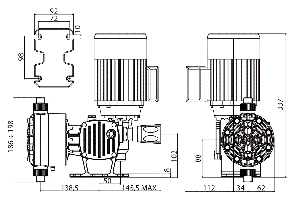
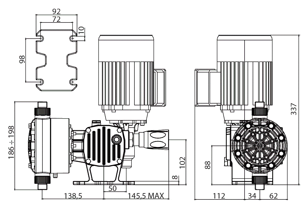
Габаритный чертеж насоса Etatron ST-D AD0051—00100
У нас пока нет отзывов по этой модели.
В настоящее время никто вопросов не задавал. Вы можете быть первым.




































_1.jpg)























































































































































































































































Гарантия 24 мес.