Описание модели CX 10
Мембранный пневматический насос Almatec CX 10 предназначен для перекачивания химически активных жидкостей в условиях небольшой и средней тяжести. Он не боится ни сухого хода, ни работы на "закрытую задвижку".
Корпус насоса CX 10 изготавливается из кондуктивного полиэтилена. Материал хорош высокой износостойкостью и сертифицирован по взрывозащите категории 2G, то есть допускает постоянную работу во взрывоопасном помещении. Мембраны насоса на выбор изготавливаются из комбинированного материала Тефлон/EPDM (по умолчанию) или каучуков NBR и EPDM, а шариковые обратные клапаны из тефлона (по умолчанию), нержавеющей стали или каучука NBR или EPDM.
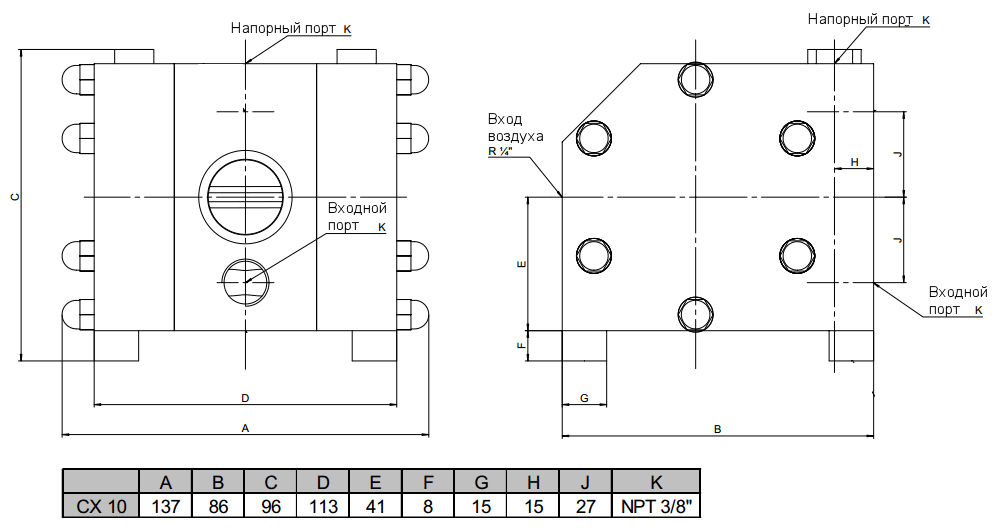
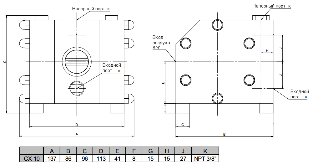
Насос CX 10 имеет производительность от 0,1 до 0,6 м3/час (от 1,6 до 10 л/мин). Максимальная вязкость перекачиваемой жидкости может быть 3 000 сстокс. Высота сухого самовсоса 0,5 метра указанана для шариковых клапанов из EPDM или тефлона. Для шариков из нержавеющей стали самовсос по сухому составляет 0,3 метра. При условии заполненной всасывающей линии высота самовсоса может составлять до 8 метров.
График рабочих характеристик насоса Almatec CX 10
Габаритный чертеж насоса Almatec CX 10
У нас пока нет отзывов по этой модели.
В настоящее время никто вопросов не задавал. Вы можете быть первым.




































_1.jpg)




























































































































































































































































Гарантия 12 мес.