Описание модели CX 20
Мембранный пневматический насос Almatec CX 20 предназначен для перекачивания химически активных жидкостей в условиях небольшой и средней тяжести. Он не боится ни сухого хода, ни работы на "закрытую задвижку".
Корпус насоса CX 20 изготавливается из кондуктивного полиэтилена. Материал хорош высокой износостойкостью и сертифицирован по взрывозащите категории 2G, то есть допускает постоянную работу во взрывоопасном помещении. Мембраны насоса на выбор изготавливаются из комбинированного материала Тефлон/EPDM (по умолчанию) или каучуков NBR и EPDM, а шариковые обратные клапаны из тефлона (по умолчанию), нержавеющей стали или каучука NBR или EPDM.
Насос CX 20 имеет производительность от 0,1 до 1,2 м3/час (от 1,6 до 20 л/мин). Максимальная вязкость перекачиваемой жидкости может быть 6 000 сстокс. Высота сухого самовсоса 0,5 метра указанана для шариковых клапанов из EPDM или тефлона. Для шариков из нержавеющей стали самовсос по сухому составляет 1 метр. При условии заполненной всасывающей линии высота самовсоса может составлять до 8 метров.
График рабочих характеристик насоса Almatec CX 20
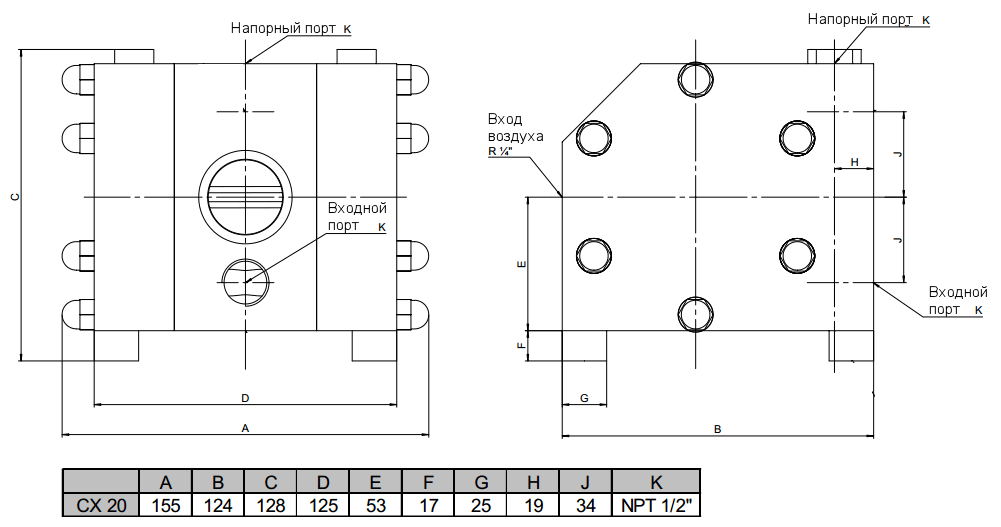
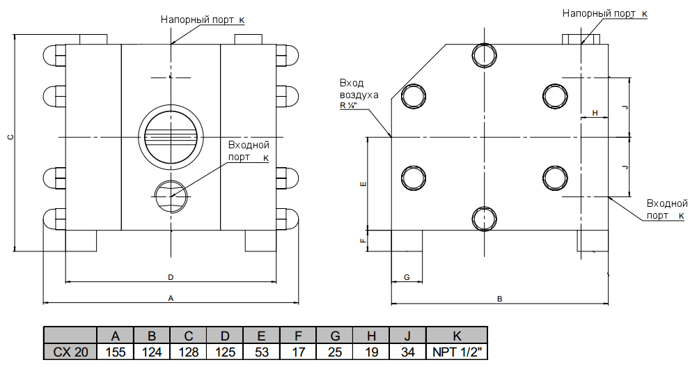
Габаритный чертеж насоса Almatec CX 20
У нас пока нет отзывов по этой модели.
В настоящее время никто вопросов не задавал. Вы можете быть первым.




































_1.jpg)




























































































































































































































































Гарантия 12 мес.