Описание модели CX 130
Мембранный пневматический насос Almatec CX 130 предназначен для перекачивания химически активных жидкостей в условиях небольшой и средней тяжести. Он не боится ни сухого хода, ни работы на "закрытую задвижку".
Корпус насоса CX 130 изготавливается из кондуктивного полиэтилена. Материал хорош высокой износостойкостью и сертифицирован по взрывозащите категории 2G, то есть допускает постоянную работу во взрывоопасном помещении. Мембраны насоса на выбор изготавливаются из комбинированного материала Тефлон/EPDM (по умолчанию) или каучуков NBR и EPDM, а шариковые обратные клапаны из тефлона (по умолчанию), нержавеющей стали или каучука NBR или EPDM.
Насос CX 130 имеет производительность от до м3/час (от до л/мин). Максимальная вязкость перекачиваемой жидкости может быть 15 000 сстокс. Высота сухого самовсоса 2,5 метра для любых исполнений. При условии заполненной всасывающей линии высота самовсоса может составлять до 9 метров.
График рабочих характеристик насоса Almatec CX 130
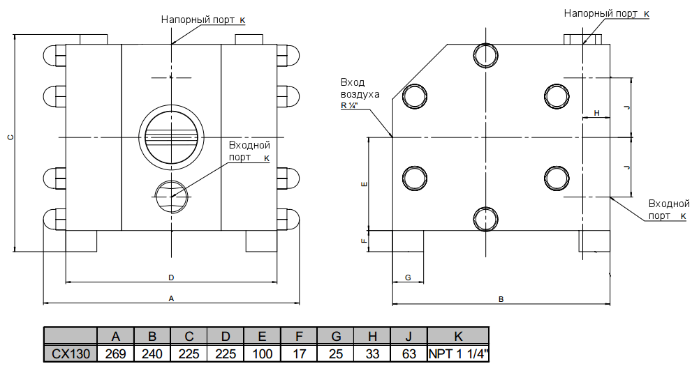
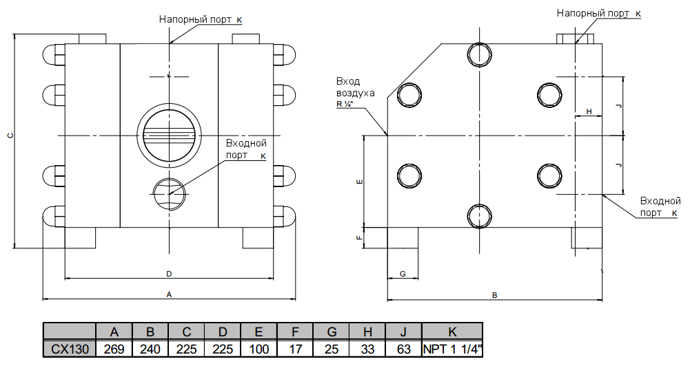
Габаритный чертеж насоса Almatec CX 130
У нас пока нет отзывов по этой модели.
В настоящее время никто вопросов не задавал. Вы можете быть первым.




































_1.jpg)




























































































































































































































































Гарантия 12 мес.