Описание модели E 08
Мембранный пневматический насос Almatec E 08 предназначен для перекачивания химически активных жидкостей в тяжелых условиях, где не справляются мембранные насосы других производителей.
Корпус насоса E 08 изготавливается из тефлона, который обладает наивысшей химостойкостью среди всех полимеров. Мембраны насоса на выбор изготавливаются из комбинированного материала Тефлон/EPDM (на стороне жидкости тефлон), а шариковые обратные клапаны также из тефлона.
Насос E 08 имеет производительность от 0,1 до 0,9 м3/час (от 1,6 до 15 л/мин). Максимальная вязкость перекачиваемой жидкости может быть 24 000 сстокс, но уже при 10 000 сстокс производительность насоса резко падает. При работе насоса в режиме самовсоса производительность также понижается. Допустимая высота самовсоса 0,5 метра при сухой всасывающей линии и 9 метров при заполненной линии.
Кривая рабочих характеристик насоса Almatec E 08
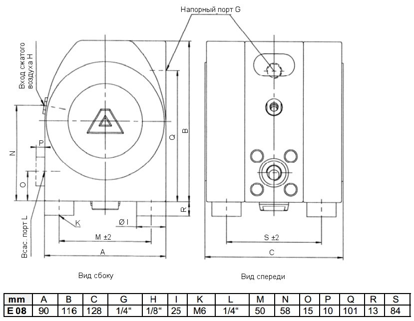
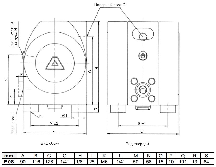
Габаритный чертеж насоса Almatec E 08
У нас пока нет отзывов по этой модели.
В настоящее время никто вопросов не задавал. Вы можете быть первым.




































_1.jpg)




























































































































































































































































Гарантия 12 мес.