Описание модели E 10
Мембранный пневматический насос Almatec E 10 предназначен для перекачивания химически активных жидкостей в тяжелых условиях, где не справляются мембранные насосы других производителей.
Корпус насоса E 10 изготавливается из тефлона, который обладает наивысшей химостойкостью среди всех полимеров. Мембраны насоса на выбор изготавливаются из комбинированного материала Тефлон/EPDM (на стороне жидкости тефлон), а шариковые обратные клапаны также из тефлона.
Насос E 10 имеет производительность от 0,1 до 1,4 м3/час (от 1,6 до 23 л/мин). Максимальная вязкость перекачиваемой жидкости может быть 24 000 сстокс, но уже при 10 000 сстокс производительность насоса резко падает. Допустимая высота самовсоса 1 метр при сухой всасывающей линии и 9 метров при заполненной линии.
Демпфер пульсации для насоса Almatec E 10
К модели насоса E 10 подходит демфер пульсации ET 10. Он может быть выполнен в следующих исполнениях:
TAT (проточная часть и внешний корпус из тефлона, мембрана из тефлона) - 308 евро.
UFT (проточная часть и внешний корпус из кондуктивного тефлона, мембрана из тефлона) - 328 евро.
Кривая рабочих характеристик насоса Almatec E 10
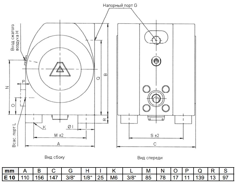
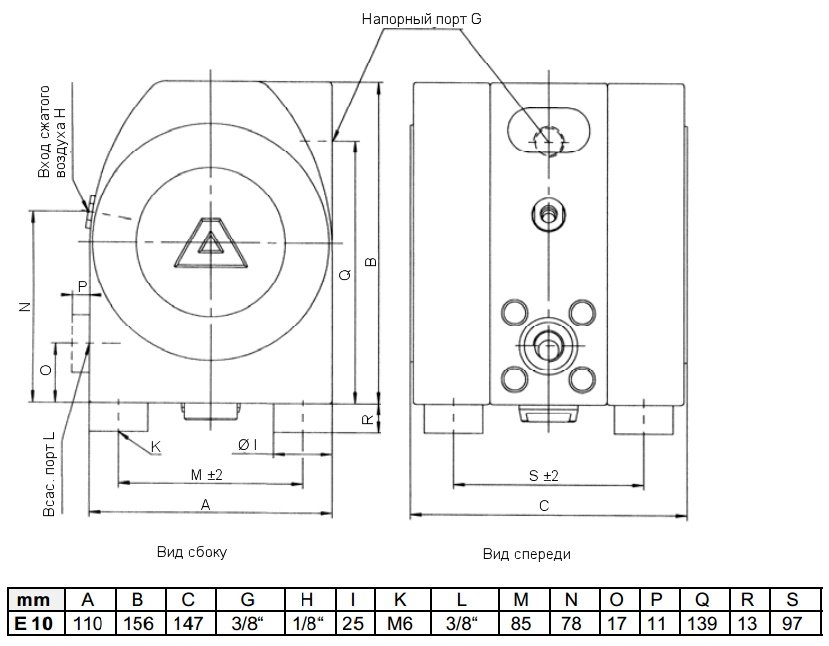
Габаритный чертеж насоса Almatec E 10
У нас пока нет отзывов по этой модели.
В настоящее время никто вопросов не задавал. Вы можете быть первым.




































_1.jpg)




























































































































































































































































Гарантия 12 мес.