Описание модели E 15
Мембранный пневматический насос Almatec E 15 предназначен для перекачивания химически активных жидкостей в тяжелых условиях, где не справляются мембранные насосы других производителей.
Корпус насоса E 15 изготавливается из тефлона или полиэтилена. Тефлон обладает наивысшей химостойкостью среди всех полимеров, а полиэтилен хорош высокой износостойкостью на случай, если в жидкости есть абразивные включения. Мембраны насоса на выбор изготавливаются из тефлона (по умолчанию) или каучуков EPDM или NBR, а шариковые обратные клапаны из тефлона, нержавеющей стали или EPDM. Вес 12 кг указан для насоса в тефлоновом корпусе. У полиэтиленовой версии вес составляет 7 кг.
Насос E 15 имеет производительность от 0,2 до 3,3 м3/час (от 33 до 55 л/мин). Максимальная вязкость перекачиваемой жидкости может быть 24 000 сстокс, но уже при 10 000 сстокс производительность насоса резко падает. Высота самовсоса "по сухому" составляет 2 метра, а при заполненном всасывающем патрубке до 9,5 метров.
Демпфер пульсации для насоса Almatec E 15
К модели насоса E 15 подходит демфер пульсации ET 15. Он может быть выполнен в следующих исполнениях:
EAT (проточная часть и внешний корпус из полиэтилена, мембрана из тефлона) - 313 евро.
FFT (проточная часть и внешний корпус из кондуктивного полиэтилена, мембрана из тефлона) - 344 евро.
TAT (проточная часть тефлон, внешний корпус из полиэтилена, мембрана из тефлона) - 454 евро.
UFT (проточная часть из кондуктивного тефлона, внешний корпус из кондуктивного полиэтилена, мембрана из тефлона) - 490 евро.
Кривая рабочих характеристик насоса Almatec E 15
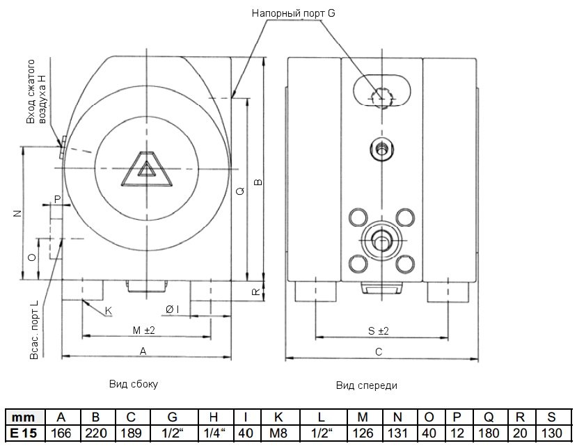
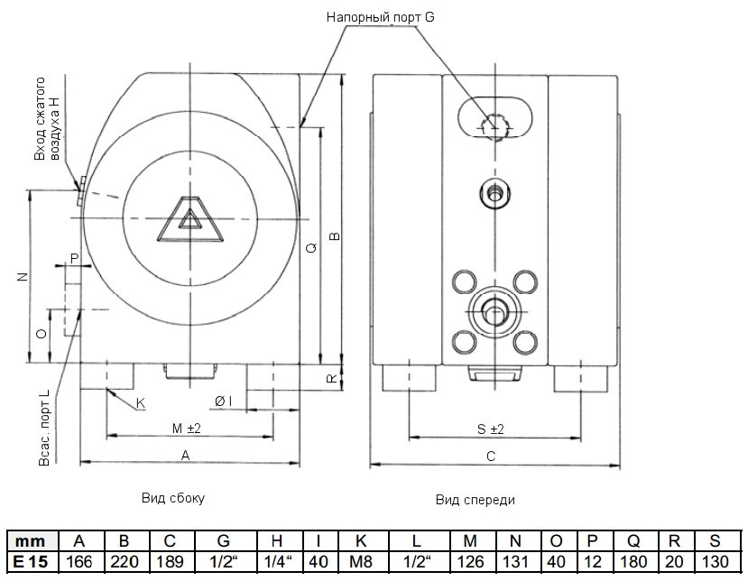
Габаритный чертеж насоса Almatec E 15
У нас пока нет отзывов по этой модели.
В настоящее время никто вопросов не задавал. Вы можете быть первым.




































_1.jpg)




























































































































































































































































Гарантия 12 мес.