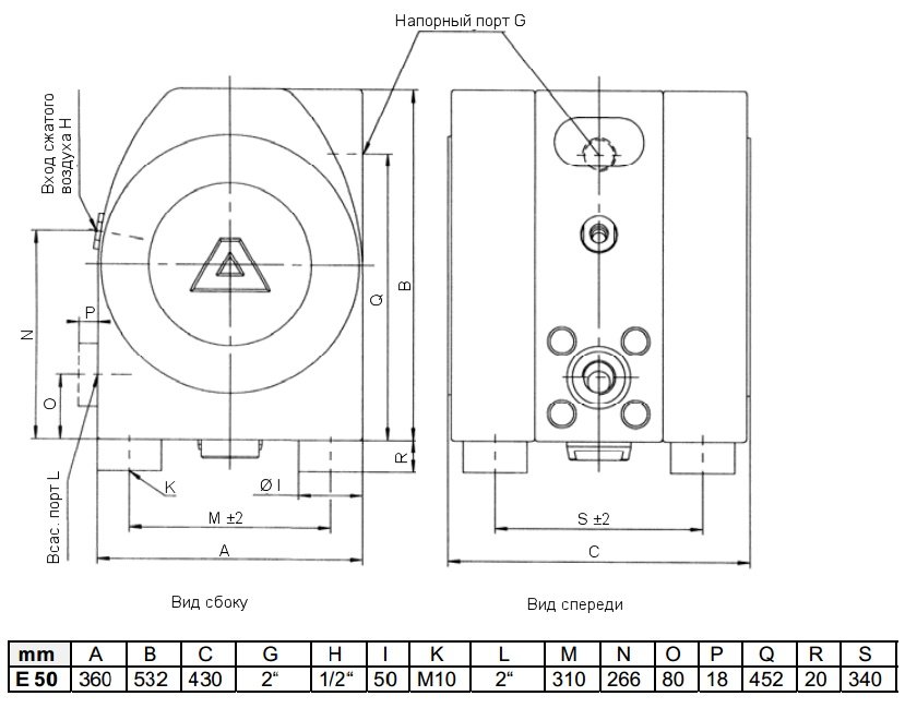
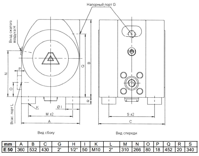
Описание модели E 50
Мембранный пневматический насос Almatec E 50 предназначен для перекачивания химически активных жидкостей в тяжелых условиях, где не справляются мембранные насосы других производителей.
Корпус насоса E 50 изготавливается из тефлона или полиэтилена. Тефлон обладает наивысшей химостойкостью среди всех полимеров, а полиэтилен хорош высокой износостойкостью на случай, если в жидкости есть абразивные включения. Мембраны насоса на выбор изготавливаются из тефлона или каучука EPDM, а шариковые обратные клапаны из тефлона, нержавеющей стали или EPDM. Вес 131 кг указан для насоса в тефлоновом корпусе. У полиэтиленовой версии вес составляет 66 кг.
Насос E 50 имеет производительность от 2 до 35 м3/час (от 33 до 580 л/мин). Максимальная вязкость перекачиваемой жидкости может быть 24 000 сстокс, но уже при 10 000 сстокс производительность насоса резко падает. Высота самовсоса "по сухому" составляет 4 метра, а при заполненном всасывающем патрубке до 9,5 метров.
Демпфер пульсации для насоса Almatec E 50
К модели насоса E 50 подходит демпфер пульсации ET 50. Он может быть выполнен в следующих исполнениях:
EAT (проточная часть и внешний корпус из полиэтилена, мембрана из тефлона) - 1105 евро.
FFT (проточная часть и внешний корпус из кондуктивного полиэтилена, мембрана из тефлона) - 1334 евро.
TAT (проточная часть тефлон, внешний корпус из полиэтилена, мембрана из тефлона) - 2536 евро.
UFT (проточная часть из кондуктивного тефлона, внешний корпус из кондуктивного полиэтилена, мембрана из тефлона) - 2791 евро.
Кривая рабочих характеристик насоса Almatec E 50
Габаритный чертеж насоса Almatec E 50
У нас пока нет отзывов по этой модели.
В настоящее время никто вопросов не задавал. Вы можете быть первым.




































_1.jpg)




























































































































































































































































Гарантия 12 мес.