Описание модели Ruby 025P-P-EEE
Мембранный насос с пневматическим приводом Ruby 025P-P-EEE подходит для перекачивания жидкостей химической, целлюлозно-бумажной промышленности и других сфер деятельности. Насос работает от энергии сжатого воздуха давлением до 7 бар. Характеризуется экономичным расходом воздуха благодаря усовершенствованной конструкции пневмоклапана и высокотехнологичным мембранам. Насос подходит для использования в потенциально взрывоопасных условиях ATEX II 3/3G D IIB T 135 °C (зона 2). Производитель насоса компания ALPHADYNAMIC PUMPS Co (Греция).
ALPHADYNAMIC позаботились о современном дизайне и надежности конструкции насоса Ruby 025P-P-EEE.
В конструкции насоса используются материалы только с химостойкими свойствами:
Корпус из полипропилена.
Мембраны из кондуктивного этилен-пропиленового каучука EPDM. Мембраны не имеют сквозного отверстия, что исключает утечку жидкости и контакт с основной втулкой.
Шариковые клапаны и седла клапанов тоже из EPDM.
Ruby 025P-P-EEE перекачивает кислоты, щелочи, растворители, клеи, смолы, краски, чернила, перекись водорода и т.п.
Данный насос следует выбирать, если перекачиваемая жидкость соответствует следующим требованиям:
Температура до 60 °C.
Вязкость до 25 000 сСт.
Максимальный размер твердых частиц 3,5 мм.
Производительность модели от 5 – 174 л/мин (0,3 – 10,4 м3/ч), напор до 70 м.
Максимальное давление воздуха составляет 7 бар.
Производительность и напор регулируются подачей воздуха в диапазоне от 50 до 1200 л/мин.
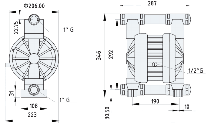
Патрубки насоса резьбовые G 1 ".
Разъем подключения воздуха 1/2 ".
Насос может работать под заливом, в режиме самовсасывания и в погружном состоянии.
Высота самовсоса «по суху» до 4 метров.
Допускается работа насоса в режиме холостого хода.
График рабочих характеристик модели Ruby 025P-P-EEE
Размеры насоса Ruby 025P-P-EEE
У нас пока нет отзывов по этой модели.
В настоящее время никто вопросов не задавал. Вы можете быть первым.




































_1.jpg)




























































































































































































































































Гарантия 12 мес.