Описание модели Ruby 050S-P-ZSS
Мембранный насос с пневматическим приводом Ruby 050S-P-ZSS подходит для перекачивания жидкостей пищевой, фармацевтической, химической и других сфер промышленности. Насос работает от энергии сжатого воздуха давлением до 7 бар. Характеризуется экономичным расходом воздуха благодаря усовершенствованной конструкции пневмоклапана и высокотехнологичным мембранам. Насос подходит для использования в потенциально взрывоопасных условиях ATEX II 3/3G D IIB T 135 °C (зона 2). Производитель насоса компания ALPHADYNAMIC PUMPS Co (Греция).
ALPHADYNAMIC позаботились о современном дизайне и надежности конструкции насоса Ruby 050S-P-ZSS.
В конструкции насоса используются устойчивые к коррозии, гигиеничные материалы:
Корпус из нержавеющей стали 316.
Мембраны из PTFE+EPDM (Тефлон + Этилен-пропиленовый каучук) с увеличенной амплитудой колебания мембраны. PTFE мембрана со стороны жидкости, подложка из кондуктивного EPDM со стороны пневмопривода. Мембраны не имеют сквозного отверстия, что исключает утечку жидкости и контакт с основной втулкой.
Шариковые клапаны и седла клапанов из нержавеющей стали 316.
Ruby 050S-P-ZSS перекачивает нейтральные, химические, вязкие и абразивные среды.
Данный насос следует выбирать, если перекачиваемая жидкость соответствует следующим требованиям:
Температура до 95 °C.
Вязкость до 50 000 сСт.
Максимальный размер твердых частиц 8 мм.
Производительность модели от 50 – 670 л/мин (3 – 40,2 м3/ч), напор до 70 м.
Максимальное давление воздуха составляет 7 бар.
Производительность и напор регулируются подачей воздуха в диапазоне от 250 до 2850 л/мин.
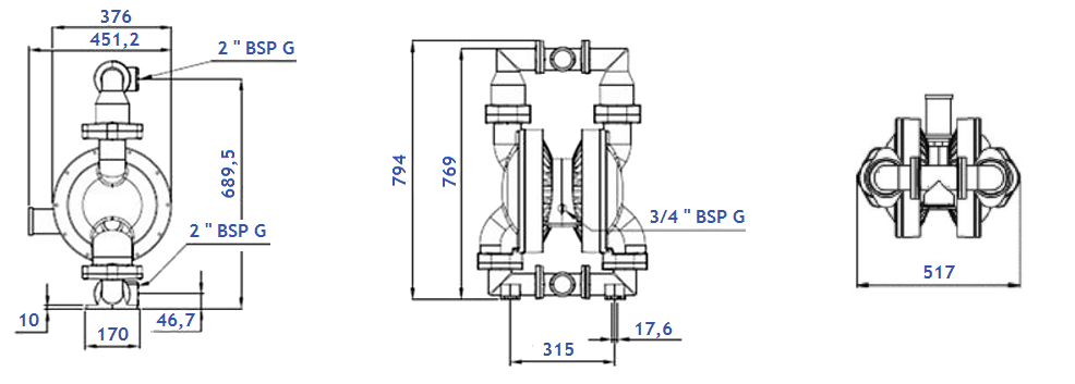
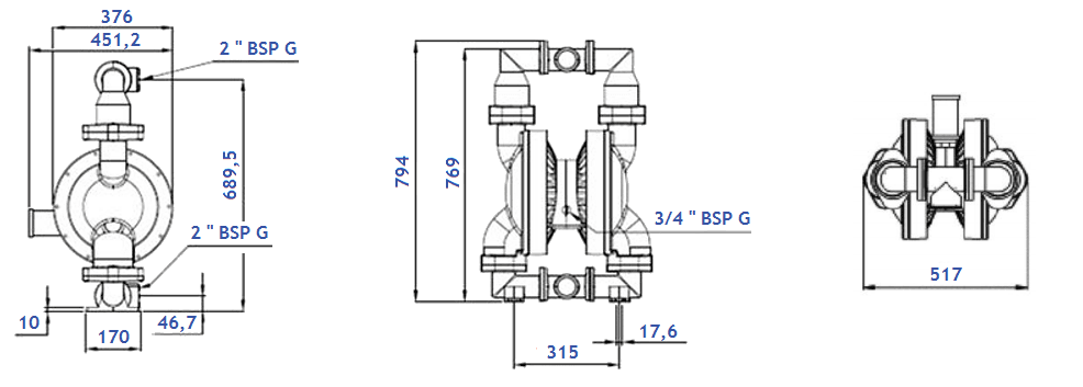
Патрубки насоса резьбовые G 2 " BSP (фланцы по запросу).
Разъем подключения воздуха 3/4 ".
Насос может работать под заливом, в режиме самовсасывания и в погружном состоянии.
Высота самовсоса «по суху» до 5 метров.
Допускается работа насоса в режиме холостого хода.
График рабочих характеристик модели Ruby 050S-P-ZSS
Размеры насоса Ruby 050S-P-ZSS
У нас пока нет отзывов по этой модели.
В настоящее время никто вопросов не задавал. Вы можете быть первым.




































_1.jpg)




























































































































































































































































Гарантия 12 мес.