Описание модели Ruby 040V-P-ZVT
Мембранный насос с пневматическим приводом Ruby 040V-P-ZVT подходит для перекачивания высокоагрессивных жидкостей химической, целлюлозно-бумажной, электронной и других сфер промышленности. Насос работает от энергии сжатого воздуха давлением до 7 бар. Характеризуется экономичным расходом воздуха благодаря усовершенствованной конструкции пневмоклапана и высокотехнологичным мембранам. Насос подходит для использования в потенциально взрывоопасных условиях ATEX II 3/3G D IIB T 135 °C (зона 2). Производитель насоса компания ALPHADYNAMIC PUMPS Co (Греция).
ALPHADYNAMIC позаботились о современном дизайне и надежности конструкции насоса Ruby 040V-P-ZVT.
В конструкции насоса используются материалы только с химостойкими свойствами:
Корпус из фторопласта.
Мембраны из PTFE+EPDM (Тефлон + Этилен-пропиленовый каучук) с увеличенной амплитудой колебания мембраны. PTFE мембрана со стороны жидкости, подложка из кондуктивного EPDM со стороны пневмопривода. Мембраны не имеют сквозного отверстия, что исключает утечку жидкости и контакт с основной втулкой.
Седла клапанов из фторопласта.
Шариковые клапаны из тефлона.
Ruby 040V-P-ZVT перекачивает самые едкие кислоты, щелочи, растворители, клеи, смолы, краски и т.п.
Данный насос следует выбирать, если перекачиваемая жидкость соответствует следующим требованиям:
Температура до 95 °C.
Вязкость до 50 000 сСт.
Максимальный размер твердых частиц 5 мм.
Производительность модели от 20 – 360 л/мин (1,2 – 21,6 м3/ч), напор до 70 м.
Максимальное давление воздуха составляет 7 бар.
Производительность и напор регулируются подачей воздуха в диапазоне от 100 до 1900 л/мин.
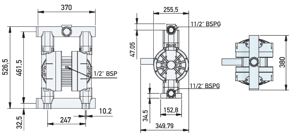
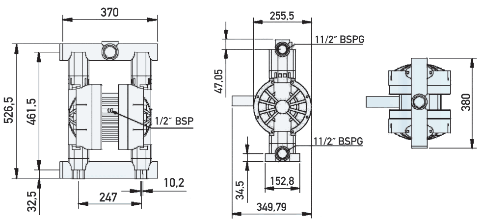
Патрубки насоса резьбовые G 1 1/2 ", имеют два варианта подключений - боковой и центральный.
Разъем подключения воздуха 1/2 ".
Насос может работать под заливом, в режиме самовсасывания и в погружном состоянии.
Высота самовсоса «по суху» до 5 метров.
Допускается работа насоса в режиме холостого хода.
График рабочих характеристик модели Ruby 040V-P-ZVT
Размеры насоса Ruby 040V-P-ZVT
У нас пока нет отзывов по этой модели.
В настоящее время никто вопросов не задавал. Вы можете быть первым.




































_1.jpg)




























































































































































































































































Гарантия 12 мес.