Описание модели Ruby 050A-P-EEE
Мембранный насос с пневматическим приводом Ruby 050A-P-EEE подходит для перекачивания жидкостей нефтехимической, лакокрасочной, автомобильной и другой сферы промышленности. Насос работает от энергии сжатого воздуха давлением до 7 бар. Характеризуется экономичным расходом воздуха благодаря усовершенствованной конструкции пневмоклапана и высокотехнологичным мембранам. Насос подходит для использования в потенциально взрывоопасных условиях ATEX II 3/3G D IIB T 135 °C (зона 2). Производитель насоса компания ALPHADYNAMIC PUMPS Co (Греция).
ALPHADYNAMIC позаботились о современном дизайне и надежности конструкции насоса Ruby 050A-P-EEE.
В конструкции насоса используются износостойкие материалы:
Корпус из алюминия.
Мембраны из кондуктивного этилен-пропиленового каучука EPDM. Мембраны не имеют сквозного отверстия, что исключает утечку жидкости и контакт с основной втулкой.
Шариковые клапаны и седла клапанов тоже из EPDM.
Ruby 050A-P-EEE перекачивает нейтральные, горючие, вязкие и абразивные среды.
Данный насос следует выбирать, если перекачиваемая жидкость соответствует следующим требованиям:
Температура до 95 °C.
Вязкость до 50 000 сСт.
Максимальный размер твердых частиц 8 мм.
Производительность модели от 50 – 700 л/мин (3 – 42 м3/ч), напор до 70 м.
Максимальное давление воздуха составляет 7 бар.
Производительность и напор регулируются подачей воздуха в диапазоне от 250 до 2750 л/мин.
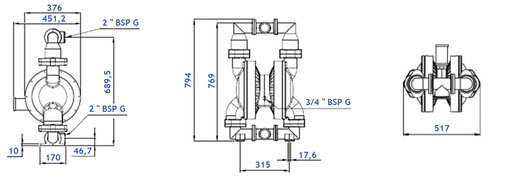
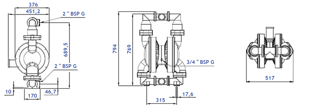
Патрубки насоса резьбовые G 2 " BSP (фланцы по запросу).
Разъем подключения воздуха 3/4 ".
Насос может работать под заливом, в режиме самовсасывания и в погружном состоянии.
Высота самовсоса «по суху» до 5 метров.
Допускается работа насоса в режиме холостого хода.
График рабочих характеристик модели Ruby 050A-P-EEE
Размеры насоса Ruby 050A-P-EEE
У нас пока нет отзывов по этой модели.
В настоящее время никто вопросов не задавал. Вы можете быть первым.




































_1.jpg)




























































































































































































































































Гарантия 12 мес.