Описание модели Drum Panther DC 24/12V
Бочковой насос Piusi Drum Panther DC 24/12V предназначен для перекачки дизельного топлива и солярки. Это готовый мобильный заправочный блок, который устанавливается на бочку. Он перекачивает дизельное горючее со скоростью до 70 л/мин., работает от питания 24 и 12 Вольт. Используется на строительных площадках, складах ГСМ, автобазах и сельскохозяйственной среде.
Drum Panther DC 24/12V оснащен обводным клапаном (байпас), который защищает насос при остановке потока. Конструкцию насоса дополняют механический счетчик, напорный 4-метровый шланг с автоматическим раздаточным пистолетом и телескопическая всасывающая труба с донным фильтром.
Чугунный корпус насоса покрыт антикоррозийной краской, ротор выполнен из закаленной стали, лопатки из полиоксиметилена. На корпусе имеется крепление для пистолета.
Установленный на насосе механический счетчик К33 прост в эксплуатации и калибровке, имеет 3-разрядный дисплей до 999 литров. Накопительная шкала показывает общее количество отпущенного дизтоплива, а на обнуляемой шкале отслеживаются отдельные заправки. Проточный расход от 20 до 120 л/мин, погрешность измерений +/- 1%.
Производительность бочкового насоса до 4,2 м3/ч (70 л/мин)/2,1 м3/ч (35 л/мин) при питании 12 V/24 V.
Максимальный напор до 15 м (1,5 бар).
Высота самовсасывания Piusi Drum Panther DC 24/12V «по суху» 2 метра.
Насос рассчитан на работу при температуре от – 20 до 60 °C.
Электродвигатель постоянного тока с питанием 24/12 V, мощностью 0,6/0,2 кВт.
Класс защиты электрического блока IP 55.
Насос используется в прерывистом режиме работы с циклом 30-минут.
Распределительная коробка с тумблером вкл/выкл.
Встроенный фильтр снижает уровень шума до 75 дБ.
Артикул модели F0034111C.
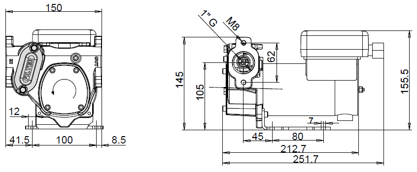
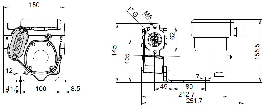
Габаритный чертеж насоса Piusi Drum Panther DC 24/12V
Кривые производительности
Сергей Р.
Удобен для применения
Химическое производство
Используют модель: Drum-EX50 230V ATEXОтзыв оставлен: 2022-02-07 09:40:00
Бочковый насос Piusi Drum-EX50 230V, 03.06.2021. Бочковой насос Piusi мы используем уже 4 месяца в качестве дозирующего насоса для спирта, используется насос периодически, не более 1 часа в день. У насоса удобная телескопическая труба, а еще есть счетчик жидкости. Мы не заметили никаких минусов у насоса, только плюсы.
В настоящее время никто вопросов не задавал. Вы можете быть первым.




































_1.jpg)





























































































































































































































































Гарантия 12 мес.