Описание модели Drum Viscomat 200/2 M
Бочковой насос PIUSI Drum Viscomat 200/2 M это самовсасывающий шестеренчатый насос для перекачки вязких масел (до 2000 сСт.) из бочек 200 л.
Конструкцию насоса дополняют 2 ” адаптер крепления на бочку, раздаточный пистолет в комплекте с держателем, напорный 4-метровый шланг и телескопическая всасывающая труба с донным фильтром. Данная перекачивающая установка справится с задачами, как небольших автохозяйств и гаражей, так и с задачами промышленных предприятий.
Корпус Drum Viscomat 200/2 M выполнен из чугуна, шестерни из нержавеющей стали. Присоединительный размер выходного патрубка 1 ” BSP. Насос оснащен встроенным перепускным клапаном (bypass), он без каких-либо сложностей способен 2-3 мин функционировать при закрытом раздаточном пистолете, при этом весь расход циркулирует в байпас и давление в линии нагнетания достигает значения перепуска.
Производительность модели до 9 л/мин (0,54 м3/ч), напор до 100 м вод. ст. (10 бар).
Высота самовсоса Drum Viscomat 200/2 M до 2 м.
Диапазон рабочей температуры модели от 5 °C до 60 °C.
Насос оснащен асинхронным двигателем с питанием 220 В, 1450 об/мин., мощностью 0,8 кВт.
Класс защиты электрического блока IP 55. Кнопка вкл/выкл.
Уровень шума насоса не превышает 70 дБ.
Артикул модели - F0026100D.
Перечень перекачиваемых масел, а также изменчивость вязкости масла в зависимости от температуры приведены в технической таблице.
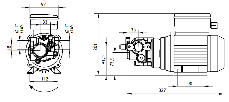
Габаритный чертеж насоса Piusi Drum Viscomat 200/2 M
Кривые производительности
Сергей Р.
Удобен для применения
Химическое производство
Используют модель: Drum-EX50 230V ATEXОтзыв оставлен: 2022-02-07 09:40:00
Бочковый насос Piusi Drum-EX50 230V, 03.06.2021. Бочковой насос Piusi мы используем уже 4 месяца в качестве дозирующего насоса для спирта, используется насос периодически, не более 1 часа в день. У насоса удобная телескопическая труба, а еще есть счетчик жидкости. Мы не заметили никаких минусов у насоса, только плюсы.
В настоящее время никто вопросов не задавал. Вы можете быть первым.




































_1.jpg)





























































































































































































































































Гарантия 12 мес.