Описание модели Drum Viscomat 70 M K33
Бочковой пластинчато-роторный насос PIUSI Drum Viscomat 70 M K33 предназначен для перекачки масел (вязкостью до 500 сСт.) и биодизельного топлива из бочек и емкостей. Насос обеспечивает скорость потока до 28 л/мин. и способен работать в непрерывном режиме от сети 220 V. Он справится с задачами, как небольших автохозяйств, так и с задачами промышленных предприятий.
Насос оснащен встроенным перепускным клапаном (bypass), с помощью которого регулируется давление.
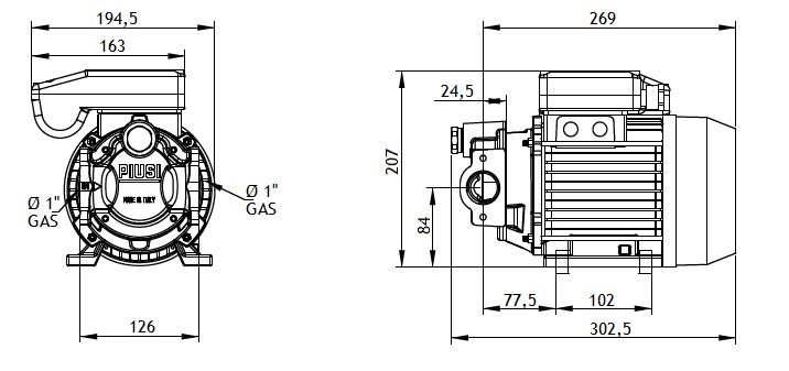
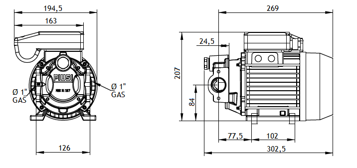
Конструкцию насоса Drum Viscomat 70 M K33 дополняют 2 ” адаптер крепления на бочку, механический счетчик, напорный 4-метровый шланг с раздаточным пистолетом, телескопическая всасывающая труба с донным фильтром и обратным клапаном.
Чугунный корпус насоса покрыт антикоррозийной краской, ротор выполнен из закаленной стали, лопатки из полиоксиметилена.
На корпусе имеется крепление для пистолета, присоединительный размер выходного патрубка 1 ” BSP.
Установленный на насосе механический счетчик К33 прост в эксплуатации и калибровке, имеет 3-разрядный дисплей до 999 литров. Накопительная шкала показывает общее количество отпущенного масла, а на обнуляемой шкале отслеживаются отдельные отгрузки. Проточный расход от 20 до 120 л/мин, погрешность измерений +/- 1%.
Производительность модели до 28 л/мин (1,6 м3/ч), напор до 60 м вод. ст. (6 бар).
Высота самовсоса Drum Viscomat 70 M K33 до 2 м.
Диапазон рабочей температуры модели от 5 °C до 60 °C.
Насос оснащен асинхронным двигателем с питанием 220 В, 1400 об/мин., мощностью 0,95 кВт.
Класс защиты электрического блока IP 55. Кнопка вкл/выкл. Длина провода питания 2 м.
Уровень шума насоса не превышает 75 дБ.
Артикул модели - 000270010.
Перечень перекачиваемых масел, а также изменчивость вязкости масла в зависимости от температуры приведены в технической таблице.
Габаритный чертеж насоса Piusi Drum Viscomat 70 M K33
Кривые производительности
Сергей Р.
Удобен для применения
Химическое производство
Используют модель: Drum-EX50 230V ATEXОтзыв оставлен: 07.02.2022
Бочковый насос Piusi Drum-EX50 230V, 03.06.2021. Бочковой насос Piusi мы используем уже 4 месяца в качестве дозирующего насоса для спирта, используется насос периодически, не более 1 часа в день. У насоса удобная телескопическая труба, а еще есть счетчик жидкости. Мы не заметили никаких минусов у насоса, только плюсы.
В настоящее время никто вопросов не задавал. Вы можете быть первым.




































_1.jpg)





























































































































































































































































Гарантия 12 мес.