Описание модели Pico 24 K24 M
Бочковой насос Piusi Pico 24 K24 M перекачивает дизельное топливо, охлаждающие жидкости (антифризы), воду.
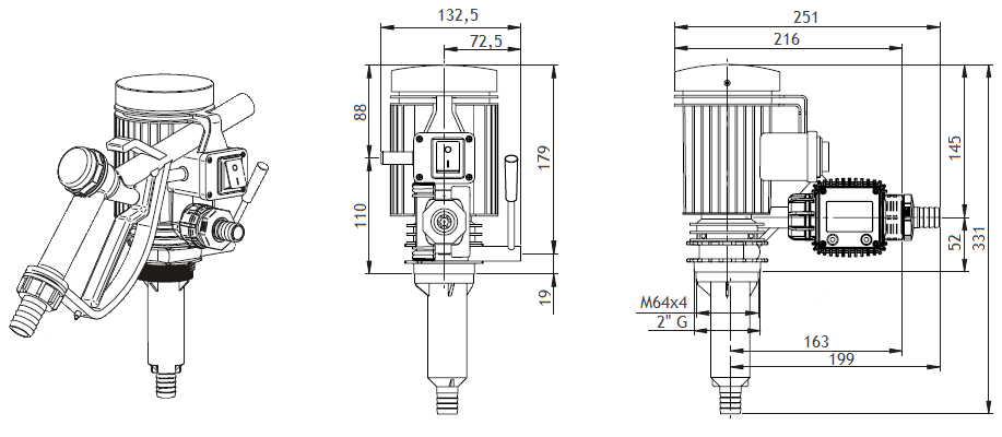
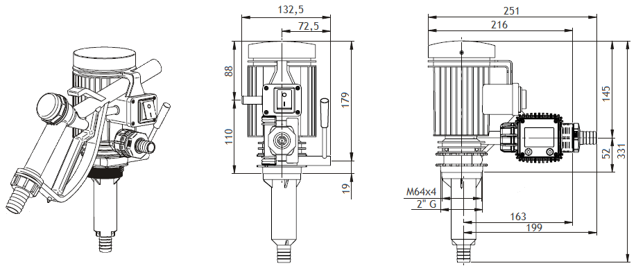
Это готовый бочковой комплект, состоящий из центробежного насоса, электронного счетчика, крепления для бочки 2”BSP и M 64x4, раздаточного пистолета с держателем, 4-метрового напорного шланга и всасывающего шланга с донным фильтром.
Насос устанавливается вертикально на бочку и работает со скоростью до 30 л/мин от источника переменного тока 24 Вольт.
Pico 24 K24 M по современному простой и компактный насос в полимерном корпусе весом около 2 кг.
Он широко используется в различных приложениях, связанных с перекачиванием ДТ, ОЖ и Н2О.
Диапазон температуры жидкости -10°C/+35°С.
Диапазон температуры эксплуатации насоса - 20 °C/+ 60 °C, при относительной влажности воздуха 90 %.
Цифровой турбинный счетчик литров К24 прост в эксплуатации, устанавливается на линии нагнетания, имеет проточный расход от 7 до 120 л/мин и погрешность измерений +/- 1%.
Производительность модели до 30 л/мин (1,8 м3/ч), напор до 8 м вод. ст.
Присоединительные штуцеры насоса и шланги имеют диаметр 3/4 (20 мм).
При пуске залив заборной линии насоса выполняется с помощью рычага встроенного ручного насоса, необходимое количество прокачек 12/15 раз.
Ручное управление может быть использовано еще и в случае сбоя питания или при малых количествах жидкости.
Универсальный двигатель с двойной изоляцией каркаса, питание 24 В, мощность 0,13 кВт.
Класс защиты электрического блока IP 55.
Рабочий цикл насоса 30/60 минут, после 30 минут работы необходимо сделать перерыв 60 минут для охлаждения двигателя.
Выключатель (ON / OFF) расположен на корпусе насоса.
Длина провода питания 3 метра типа "крокодильчик".
Уровень шума насоса не превышает 70 дБ.
Артикул модели - F00202100.
Габаритный чертеж насоса Piusi Pico 24 K24 M
Кривые производительности
Сергей Р.
Удобен для применения
Химическое производство
Используют модель: Drum-EX50 230V ATEXОтзыв оставлен: 2022-02-07 09:40:00
Бочковый насос Piusi Drum-EX50 230V, 03.06.2021. Бочковой насос Piusi мы используем уже 4 месяца в качестве дозирующего насоса для спирта, используется насос периодически, не более 1 часа в день. У насоса удобная телескопическая труба, а еще есть счетчик жидкости. Мы не заметили никаких минусов у насоса, только плюсы.
В настоящее время никто вопросов не задавал. Вы можете быть первым.




































_1.jpg)






























































































































































































































































Гарантия 12 мес.