Видео
Подробный обзор
Обзор насоса Zenova RP
Поршневой VS мембранный
Что выбрать: поршневой вакуумный насос или мембранный вакуумный насос
Старт под вакуумом

Какой вакуумный насос лучше для старта под вакуумом?
Глушитель и уровень шума
Влияет ли глушитель на уровень вакуума в вакуумных насосах?
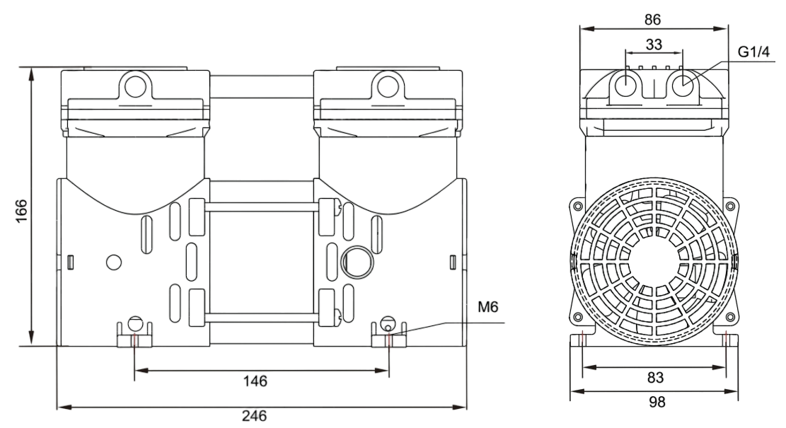
Описание модели RP-900V-220
Поршневой вакуумный насос Zenova RP-900V-220 – это одноступенчатый насос для откачивания закрытых объемов воздуха до остаточного давления 80 мбар.
Модель с литерой V в названии рассчитана на более высокую производительность при меньшей глубине вакуума.
Насос безмасляный, поэтому может отлично подойти для пищевого, лабораторного или медицинского применения.
Утолщенные стенки корпуса и качественное изготовление деталей обеспечивают этому насосу ресурс работы на многие тысячи часов (подробнее об этом узнайте в разделе "Ключевые преимущества насосов RP").
Объемный расход насоса до 7,2 м3/ч (120 л/мин), предельное остаточное давление до 80 мбар.
Вакуумное подсоединение G 1/4".
Мощность двигателя 0,32 кВт, 1400 об/мин, стандартное питание 220 В.
Уровень шума насоса 56 дБ.
Ключевые преимущества насосов RP
- В проектировании насосов и настройке производственной линии участвовали бывшие сотрудники американской фирмы Thomas - мирового лидера в производстве насосов такого типа. В процессе производства насосов RP используются только высокоточные станки немецкого и японского производства.
- Завод имеет опыт изготовления более 10 лет. На сегодняшний день насосы RP имеет уровень качества на уровне европейских и американских аналогов.
- Насосы имеют высокий ресурс и практически не требуют обслуживания. Завод лишь рекомендует заменять комплект уплотнений каждые 8000 часов (комплекты уплотнений так же представлены в нашем каталоге).
- При производстве насосов RP применяются самые современные материалы:
- Для изготовления язычкового клапана используется нержавеющая сталь Sandvik (Швеция),
- Уплотнения клапанной тарелки сделаны из силикона DuPont (США),
- Цилиндры насосов изготовлены из дорогого алюминиевого аллоя 6061,
- Кольца поршней изготовлены из особой керамики Saint-Gobain (Франция),
- Все трущиеся поверхности дополнительно проходят обработку анодированием для продления ресурса.
- Использование современных материалов позволяет существенно облегчить вес и габариты насосов с сохранением высочайшего ресурса работы.
- Современная система контроля качества позволяет снизить уровень производственного брака до уровня менее 0,2% (менее 1 случая брака на 500 насосов).
Условия эксплуатации
- Насос не должен использоваться для перекачки коррозионно-активных, опасных, ядовитых или горючих газов.
- Попадание жидкости в насос не рекомендуется, а попадание пыли в насос может вывести его из строя.
- Насос может эксплуатироваться непрерывно при условии достаточного охлаждения.
- Насос должен эксплуатироваться при температуре от -10 до +40 °С.
- В стандартном исполнении насос должен эксплуатироваться на высотах не более 1500 метров над уровнем моря. Если вы используете насос на большей высоте — закажите специальное исполнение.
Области применения
- Медицинская техника;
- Автомобильная промышленность;
- Системы контроля;
- Печатная техника;
- Упаковочная техника;
- Производство продуктов питания;
- Водоподготовка и очистка воды;
- Аналитическая химия;
- Лабораторное оборудование;
- Индустрия красоты;
- Фармакология;
- Электроника;
- Нефтехимия.
Комплект поставки
- Насос;
- К насосам 200V и 200H – опоры 4 шт;
- К насосам 300-3000 – глушитель 1 шт, опоры 4 шт.
Габаритный чертеж модели RP-900V-220




































_1.jpg)































































































































































































































































Гарантия 18 мес.
