Видео
Прогрев насоса
Почему важно прогревать насос в начале работы
Подбор вакуумного фильтра
Вакуумные фильтры: как правильно подобрать?
Описание модели LC.25_220 WR
Пластинчато-роторный вакуумный насос DVP LC.25_220 WR (Италия) – это особая модель для откачивания воздуха и газов с повышенным содержанием паров воды. Насос производится итальянской компанией D.V.P. Vacuum Technology s.p.a, заводской артикул модели 9690035.
Этот насос в отличие от обычных насосов серии LC имеет специальное антикоррозионное покрытие рабочей камеры. В нем используется специальное синтетическое масло, которое не смешивается с водой. Такое масло не теряет свои смазывающие и уплотняющие свойства. После остановки насоса масло отделяется от воды и остается вверху благодаря меньшей плотности. Более плотная вода остается внизу и может быть удалена из насоса через сливное отверстие. Смотровое окошко позволяет визуально контролировать накопление воды в рабочей камере насоса.
Функциональные возможности насоса:
- при откачивании влажного воздуха насос обеспечивает глубину вакуума (остаточного давления) до 4 мбар;
- при откачивание газовоздушных смесей с очень высокой концентрацией водяного пара глубина вакуума достигает 60 мбар;
- насос может работать в непрерывном режиме в диапазоне давлений 400 ÷ 4 мбар (гПа).
Оснащение насоса – обратный клапан, переключатель уровня масла, масловозвратный клапан, газобалластное устройство, виброгасители.
Производительность насоса 25 м3/ч, что составляет 416,6 л/мин.
Предельное остаточное давление без водяного пара 4 мбар (абс).
Предельное остаточное давление с водяным паром 60 мбар (абс).
Максимальная скорость откачки водяного пара 1,1 кг/ч.
Всасывающий и напорный патрубки с резьбовым присоединением G 1/2".
Расход вакуумного масла 0,8 ÷ 1,1 дм3 (0,8 ÷ 1,1 л), тип масла ISO BV68 (SW60).
Интервал рабочей температуры насоса 80 ÷ 85° C.
Уровень шума не более 57 дБ (А).
Электротехнические данные двигателя насоса – 1 фаза/220 В/50 Гц, 1400 об/мин, мощность 0,75 кВт, термореле.
Охлаждение насоса, двигателя и циркулирующего масла обеспечивает вентилятор.
Конструкция насоса DVP LC.25_220 WR

Материалы конструкции
- Корпус - сталь
- Лопатки - алюминий.
Области применения
- Вакуумная сушка;
- Деревообрабатывающее производство;
- Дегазация;
- Вакуумные присоски и удержание грузов;
- Производство сублимированных продуктов;
- Химические предприятия;
- Производство полупроводников.
Комплект поставки
- Насос.
- Масло для первой заправки.
- Автоматическое газобалластное устройство (встроено).
- Обратный клапан (встроен).
- Для моделей с индексом 40 и больше — фильтр масляного тумана (встроен).
- Инструкция.
- Отдельный гарантийный талон не прилагается (гарантия 12 месяцев со дня продажи по накладной или товарному чеку).
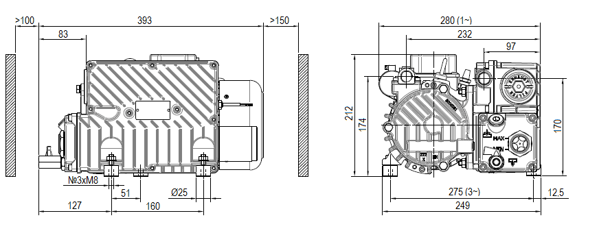
Габаритный чертеж насоса DVP LC.25_220 WR




































_1.jpg)




























































































































































































































































Гарантия 12 мес.