Видео
Прогрев насоса
Почему важно прогревать насос в начале работы
Подбор вакуумного фильтра
Вакуумные фильтры: как правильно подобрать?
Описание модели LC.305 HV
Пластинчато-роторный вакуумный насос DVP LC.305 HV (Италия) – это мощный вакуумный насос с масляной смазкой.
Насос производится итальянской компанией D.V.P. Vacuum Technology s.p.a, заводской номер модели 9603031.
Функциональные возможности насоса:
- откачивание закрытых объемов чистого воздуха и инертных газов до предельного вакуума 0,1 мбар (гПа);
- откачивание газовоздушных смесей с высокой концентрацией водяного пара до предельного вакуума 12 мбар (гПа);
- работа в непрерывном режиме в диапазоне давлений 400 ÷ 0,1 мбар (гПа).
Стандартное оснащение насоса – обратный клапан, выхлопной фильтр масляного тумана, газобалластное устройство с отсечным клапаном "ON/OFF", масляный фильтр с байпасом, виброгасители. Ротор насоса соединен с валом двигателя посредством гибкой муфты. Такое соединение хорошо компенсирует температурные расширения от нагрева электродвигателя, повышая, тем самым, надежность и срок эксплуатации.
Производительность насоса 305 м3/ч, что составляет 5083,3 л/мин.
Предельное остаточное давление без водяного пара 0,1 мбар (гПа) – газобалластное устройство отключено "OFF".
Предельное остаточное давление с водяным паром 12 мбар (гПа) – газобалластное устройство включено "ON".
Максимальная скорость откачки водяного пара 3,5 кг/ч.
Всасывающий и напорный патрубки с резьбовым присоединением G 2".
Расход вакуумного масла 4,0 ÷ 5,0 дм3 (л), тип масла ISO BV100 (SW100).
Интервал рабочей температуры насоса 75 ÷ 80° C.
Уровень шума не более 73 дБ (А).
Электротехнические данные двигателя насоса – 3 фазы/380 В/50 Гц, 1400 об/мин, мощность 7,5 кВт, IE2.
Охлаждение насоса, двигателя и циркулирующего масла обеспечивает вентилятор.
Конструкция насоса DVP LC.305 HV
Материалы конструкции
- Корпус - сталь
- Лопатки - алюминий.
График рабочих характеристик DVP LC.305 HV
Области применения
- Вакуумная сушка;
- Деревообрабатывающее производство;
- Дегазация;
- Вакуумные присоски и удержание грузов;
- Производство сублимированных продуктов;
- Химические предприятия;
- Производство полупроводников.
Комплект поставки
- Насос.
- Масло для первой заправки.
- Автоматическое газобалластное устройство (встроено).
- Обратный клапан (встроен).
- Для моделей с индексом 40 и больше — фильтр масляного тумана (встроен).
- Инструкция.
- Отдельный гарантийный талон не прилагается (гарантия 12 месяцев со дня продажи по накладной или товарному чеку).
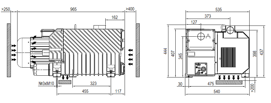
Габаритный чертеж насоса DVP LC.305 HV




































_1.jpg)




























































































































































































































































Гарантия 12 мес.