Видео
Как устроен водокольцевой насос
Анимация: устройство и принцип работы водокольцевого вакуумного насоса
Сепаратор – а это еще что?
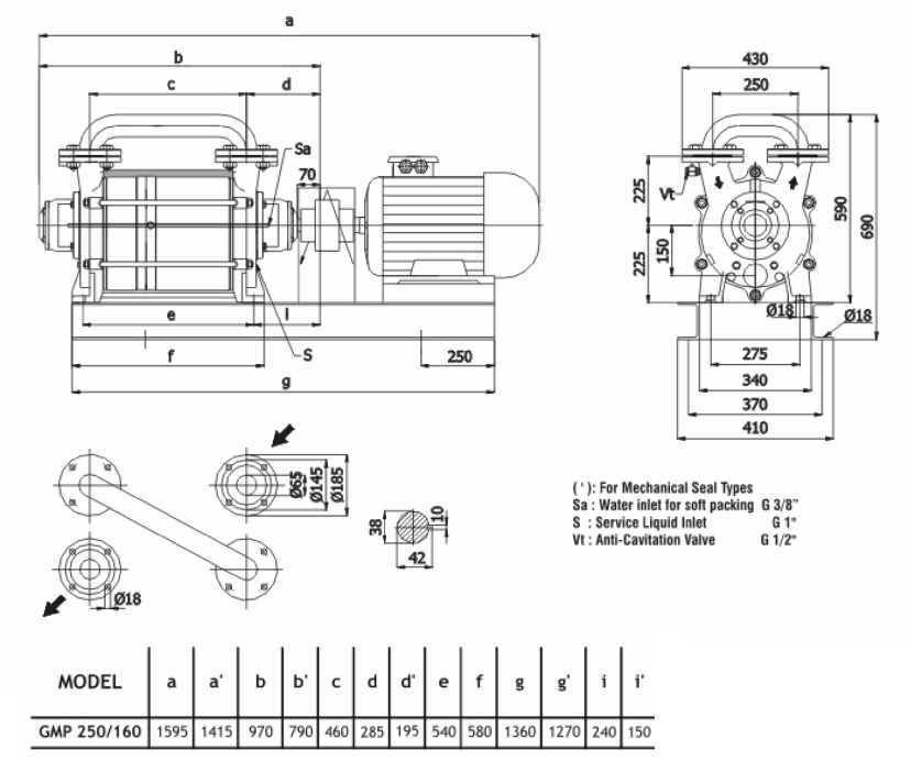
Описание модели GMP 250/160
Двухступенчатый водокольцевой вакуумный насос Ангара GMP 250/160 откачивает сухие и важные неагрессивные газы до предельного вакуума 40 мбар. Насос производится турецкой компанией GUCUM, применяется в пищевой, химической, текстильной, стеклодувной, фармацевтической промышленности, в производстве пластмасс, кирпича и черепицы.
Корпус насоса выполнен из чугуна, рабочие колеса из бронзы. Патрубки фланцевые DN 65. Выходной патрубок первой камеры соединен манифольдом с входным патрубком второй камеры, это несколько повышает глубину вакуума и дополнительно очищает откачиваемый воздух. Уплотнение насоса механическое из карбида кремния. Оно полностью исключает утечку сервисной жидкости. По специальному заказу насос и все его внутренние детали могут быть изготовлены из нержавеющей стали AISI 304 или AISI 316
Производительность насоса до 480-540 м³/час, зависит от влажности перекачиваемого газа
Предельный вакуум 40 мбар
Расход сервисной жидкости 40 л/мин
Насос оснащен трехфазным IEC двигателем, 380 В (50 Гц), 4P (1450 об/мин), мощностью 15 кВт
Ограничения по эксплуатации
- Максимальная температура воздуха или иного откачиваемого газа – 100 ºС
- Температура используемой жидкости не более 70 ºС
- Температура окружающей среды: от +5 °С до +40 °С
- Сервисная жидкость должна иметь вязкость до 4 сстокс и плотность до 1,2 кг/дм³
График производительности насоса Ангара GMP 250/160 при различной влажности воздуха
Габаритный чертеж насоса Ангара GMP 250/160
У нас пока нет отзывов по этой модели.
В настоящее время никто вопросов не задавал. Вы можете быть первым.




































_1.jpg)




























































































































































































































































Гарантия 12 мес.