Видео
Подбор вакуумного фильтра
Вакуумные фильтры: как правильно подобрать?
Разборка
Разбираем воздуходувку правильно
Описание модели SV 1.50/3
Одноступенчатая вихревая воздуходувка SV 1.50/3 немецкой фирмы Becker имеет рабочую точку по производительности 3 м3/ч при давлении 100 мбар. Обратите внимание внимание, что в других каталогах часто указывают максимальные значения производительности и давления, которые не следует учитывать при подборе.
Шумоглушитель
Воздуходувка SV 1.50/3 оснащена встроенным шумоглушителем на всосе и нагнетании, благодаря чему уровень шума составляет всего 62 дБ.
Аксессуары
При покупке воздуходувки SV 1.50/3 рекомендуем также приобрести следующие дополнительные комплектующие:
1. Фильтр в сборе (конус) + соединение.
2. Установочный комплект (гибкий шланг, клапан обратный, манометр, гибкий шланг с фитингами, антивибрационный кронштейн).
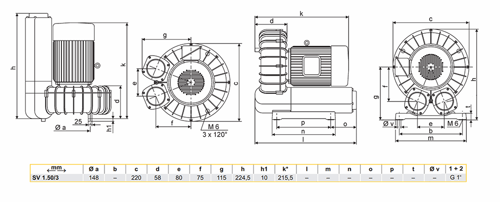
Габаритный чертеж воздуходувки SV 1.50/3
Кривые производительности
У нас пока нет отзывов по этой модели.
В настоящее время никто вопросов не задавал. Вы можете быть первым.


Гарантия 12 мес.