Видео
Подбор вакуумного фильтра
Вакуумные фильтры: как правильно подобрать?
Разборка
Разбираем воздуходувку правильно
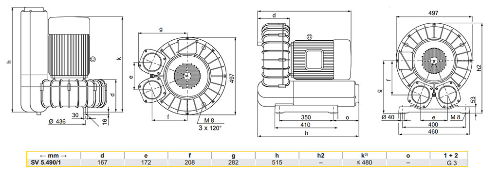
Описание модели SV 5.490/1
Одноступенчатая вихревая воздуходувка SV 5.490/1 немецкой фирмы Becker имеет рабочую точку по производительности 200 м3/ч при давлении 410 мбар. Обратите внимание внимание, что в других каталогах часто указывают максимальные значения производительности и давления, которые не следует учитывать при подборе.
Шумоглушитель
Воздуходувка SV 5.490/1 оснащена встроенным шумоглушителем на всосе и нагнетании, благодаря чему уровень шума составляет всего 76 дБ.
Аксессуары
При покупке воздуходувки SV 5.490/1 рекомендуем также приобрести следующие дополнительные комплектующие:
1. Фильтр в сборе (конус) + соединение.
2. Установочный комплект (гибкий шланг, клапан обратный, манометр, гибкий шланг с фитингами, антивибрационный кронштейн).
3. Бумажный фильтр.
Габаритный чертеж воздуходувки SV 5.490/1
Кривые производительности
У нас пока нет отзывов по этой модели.
В настоящее время никто вопросов не задавал. Вы можете быть первым.




































_1.jpg)




























































































































































































































































Гарантия 12 мес.