Отвод ПВХ к фильтру AF040 (1½″) – описаниеВес отвода - 365 г (проверено нами).
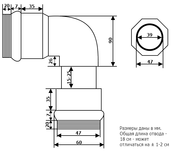
Чертеж отвода:

Вес отвода - 365 г (проверено нами).
Чертеж отвода:

Совместимые модели оборудования
Вихревые воздуходувки Zenova RB
Вихревые воздуходувки Esam
TECNOJET II/s_0,75, FLUXJET_1,5, FLUXJET, FLUXJET 2V LHT, TECNOJET II/s, FLUX-80, TECNOJET 2V, TECNOJET 2V LHT, UNIJET 160, FLUXJET 2V
Вихревые воздуходувки FPZ SCL
Вихревые воздуходувки Busch SB
Вихревые воздуходувки Becker SV
У нас пока нет отзывов по этому аксессуару.
В настоящее время никто вопросов не задавал. Вы можете быть первым.




































_1.jpg)



























































































































































































































































