Описание модели FLUXJET 2V LHT
Двухступенчатая вихревая воздуходувка Esam FLUXJET 2V LHT (производство - Италия) позволяет перекачивать чистый воздух и прочие неагрессивные к алюминию газы. Корпус и рабочее колесо выполнены из алюминиевого литья. Воздуходувка имеет такую же кривую в компрессорном режиме как модель FLUXJET 2V (без LHT), но в вакуумном режиме модель LHT обеспечивает более глубокий вакуум (265 мбар вместо 230 мбар). Эта модель (LHT - lubricated high temperature) имеет специальную смазку подшипников для работы в условиях высокой температуры.
- Максимальная производительность воздуходувки 200 м3/час при нулевом перепаде давлений.
- В режиме компрессора максимальный перепад давлений 265 мбар при расходе 84 м3/час. При таком перепаде давлений разница температур на входе и выходе в воздуходувку составляет 47 °C, а потребляемая мощность 2,7 кВт.
- В режиме вакуумного насоса максимальный перепад давлений 265 мбар при расходе 83 м3/час. При таком перепаде давлений разница температур на входе и выходе в воздуходувку составляет 60 °C, а потребляемая мощность 2,55 кВт.
Воздуходувка FLUXJET 2V LHT оснащена встроенным шумоглушителем на входе и выходе, уровень шума составляет 72 дБ.
Электродвигатель
Воздуходувка FLUXJET 2V LHT оснащена трехфазным электродвигателем мощностью 2,2 кВт. Двигатель может быть подключен:
- треугольником (на 230 В) с номинальной силой тока 9 А.
- звездой (на 400 В) с номинальной силой тока 5,2 А.
Дополнительные комплектующие
При покупке воздуходувки FLUXJET 2V LHT рекомендуем также приобрести следующие дополнительные комплектующие:
1. Фильтр в сборе (конус) + соединение. Актуален при работе воздуходувки в режиме компрессора. Использование фильтра строго необходимо, если в воздуходувку поступает неочищенный воздух (например, с улицы).
2. Сменный бумажный фильтрующий элемент (для фильтра в сборе).
3. Вакуумный фильтр. Актуален при работе воздуходувки в режиме вакуумного насоса, если в емкости, откуда откачивается воздух, есть какие-то механические примеси.
4. Установочный комплект (клапан обратный, манометр, гибкий шланг с фитингами, 4 антивибрационных кронштейна).
5. Предохранительный клапан для защиты воздуходувки от перегрева при избыточном перепаде давлений (вакуумный или компрессорный клапан в зависимости от режима, в котором работает воздуходувка). Использование предохранительного клапана строго необходимо, если рабочий перепад давлений будет близок к максимально допустимому для этой модели.
Дополнительные комплектующие
При покупке воздуходувки FLUXJET 2V LHT рекомендуем также приобрести следующие дополнительные комплектующие:
1. Фильтр в сборе (конус) + соединение. Актуален при работе воздуходувки в режиме компрессора. Использование фильтра строго необходимо, если в воздуходувку поступает неочищенный воздух (например, с улицы).
2. Сменный бумажный фильтрующий элемент (для фильтра в сборе).
3. Вакуумный фильтр. Актуален при работе воздуходувки в режиме вакуумного насоса, если в емкости, откуда откачивается воздух, есть какие-то механические примеси.
4. Установочный комплект (клапан обратный, манометр, гибкий шланг с фитингами, 4 антивибрационных кронштейна).
5. Предохранительный клапан для защиты воздуходувки от перегрева при избыточном перепаде давлений (вакуумный или компрессорный клапан в зависимости от режима, в котором работает воздуходувка). Использование предохранительного клапана строго необходимо, если рабочий перепад давлений будет близок к максимально допустимому для этой модели.
Материалы конструкции
Корпус и рабочее колесо воздуходувок Esam изготовлены из алюминиевого литья (стандартно для всех вихревых воздуходувок).
Материалы прочих деталей не специфицируются.
Характеристики воздуходувки Esam FLUXJET 2V LHT в компрессорном режиме
Характеристики воздуходувки Esam FLUXJET 2V LHT в вакуумном режиме
Области применения
- Аэрация;
- Деревообработка;
- Типография;
- Медицина;
- Фармацевтика;
- Работа станков с ЧПУ;
- Системы пневмотранспорта;
- Процессы упаковки с использованием вакуума и др.
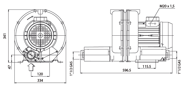
Габаритный чертеж воздуходувки Esam FLUXJET 2V LHT
Видео

Китайская воздуходувка против итальянской. Сравнительный тест. Ищем смысл переплаты за европейца.
Разбор и сравнение воздуходувок RB и Esam
У нас пока нет отзывов по этой модели.
В настоящее время никто вопросов не задавал. Вы можете быть первым.




































_1.jpg)





























































































































































































































































Гарантия 12 мес.