Описание модели VTА 80
Сухой пластинчато-роторный вакуумный насос Elmo Rietschle VTA 80 создан для работы с чистым воздухом и инертными газовыми смесями. Он способен откачать закрытый объем воздуха до остаточного давления 150 мбар. Насос работает без применения масла и безвреден для окружающей среды, рассчитан на непрерывную эксплуатацию, используется в промышленных сферах, где важно, чтобы воздух на выходе оставался чистым и безопасным.
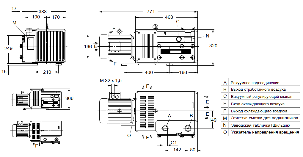
Блок насоса размещен в звукопоглощающем корпусе, приводится в действие прямым фланцевым двигателем типа TEFV. Охлаждающий вентилятор расположен между насосом и двигателем.
Модель стандартно комплектуется вакуумным регулировочным клапаном, глушителем выхлопных газов. Весь обрабатываемый воздух очищается с помощью встроенного фильтра.
Объемный расход воздуха до 77 м3/ч (1283 л/мин), предельное остаточное давление 150 мбар.
Вакуумный регулировочный клапан позволяет установить необходимое остаточного давления в диапазоне 150 - 1000 мбар, которое не должно превышать предельно допустимое значение.
Всасывающее отверстие оснащено соединительной резьбой G 1 ".
Мощность приводного двигателя 2,2 кВт, электропитание 380 В.
Уровень звука модели 73 дБ.
Условия эксплуатации
Относительная влажность воздуха 30 - 90 %.
Рабочая температура 5 - 40 °C.
Комплект поставки
- Насос
- Документация: руководство по эксплуатации, декларация о соответствии, список запасных частей, технический паспорт.
График рабочих характеристик насоса Elmo Rietschle VTА 80
Габаритный чертеж насоса Elmo Rietschle VTA 80
У нас пока нет отзывов по этой модели.
В настоящее время никто вопросов не задавал. Вы можете быть первым.




































_1.jpg)




























































































































































































































































Гарантия 12 мес.