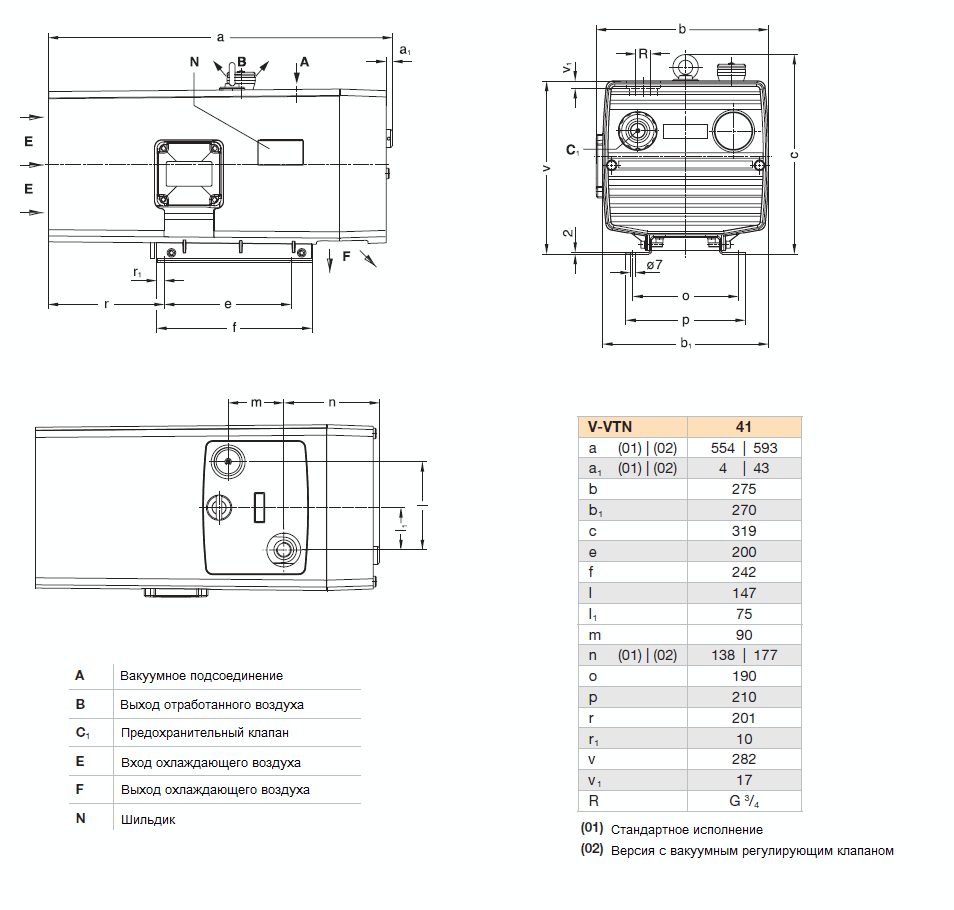
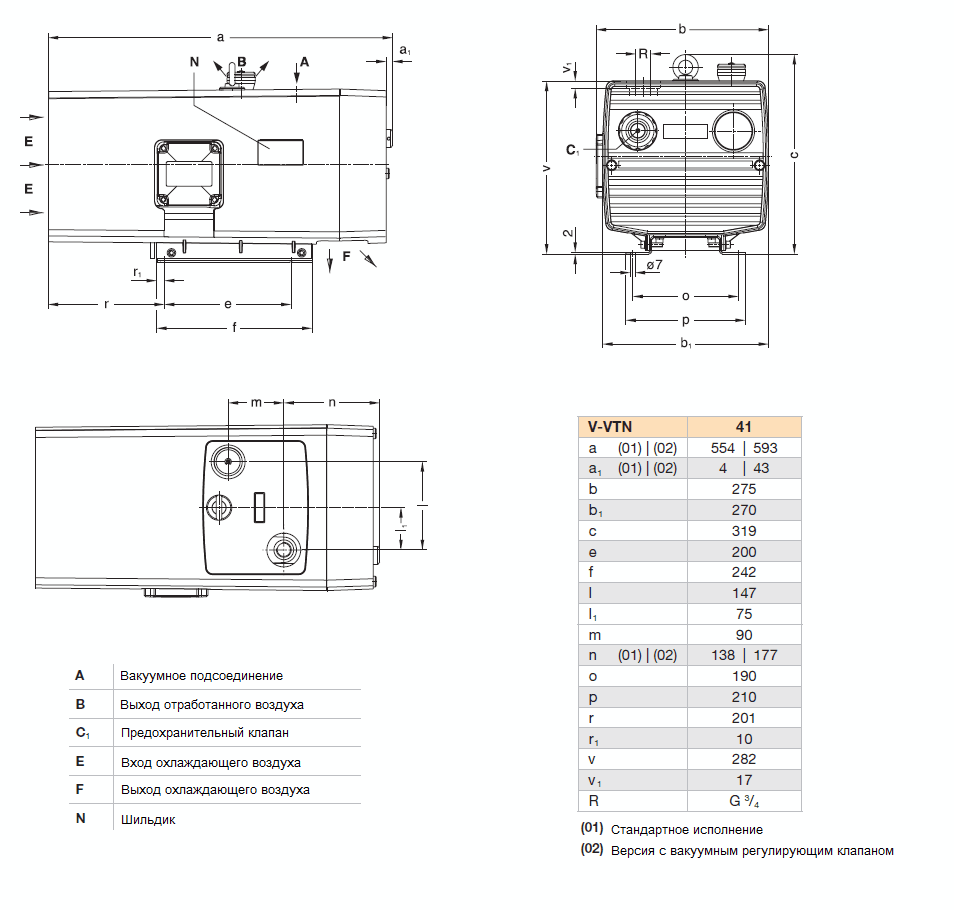
Описание модели VTN 41
Сухой пластинчато-роторный вакуумный насос Elmo Rietschle VTN 41 создан для работы с чистым воздухом и инертными газами. Он способен откачать закрытый объем воздуха до остаточного давления 150 мбар. Насос работает без применения масла в рабочей камере, используется в приложениях, где важно, чтобы воздух на выходе оставался чистым и безопасным.
Модель имеет компактные габариты, выполнена в звукопоглощающем корпусе, уровень звука не более 66 дБ, комплектуется вакуумным регулировочным клапаном, глушителем выхлопных газов. Весь обрабатываемый воздух очищается с помощью встроенного фильтра.
Приводный двигатель и насос имеют общий вал. Вентилятор охлаждает корпус двигателя и насоса.
Объемный расход воздуха до 42 м3/ч (700 л/мин), предельное остаточное давление 150 мбар.
Вакуумный регулировочный клапан позволяет установить необходимое остаточного давления в диапазоне 150 - 1000 мбар, которое не должно превышать предельно допустимое значение.
Всасывающее отверстие оснащено соединительной резьбой G 3/4 ".
Мощность приводного двигателя 1,5 кВт, электропитание 380 В.
Условия эксплуатации
Относительная влажность воздуха 30 - 90 %.
Рабочая температура 5 - 40 °C.
Комплект поставки
- Насос
- Документация: руководство по эксплуатации, декларация о соответствии, список запасных частей, технический паспорт.
График рабочих характеристик насоса Elmo Rietschle VTN 41
Габаритный чертеж насоса Elmo Rietschle VTN 41
У нас пока нет отзывов по этой модели.
В настоящее время никто вопросов не задавал. Вы можете быть первым.




































_1.jpg)





























































































































































































































































Гарантия 12 мес.